Jump to content
HybridZ

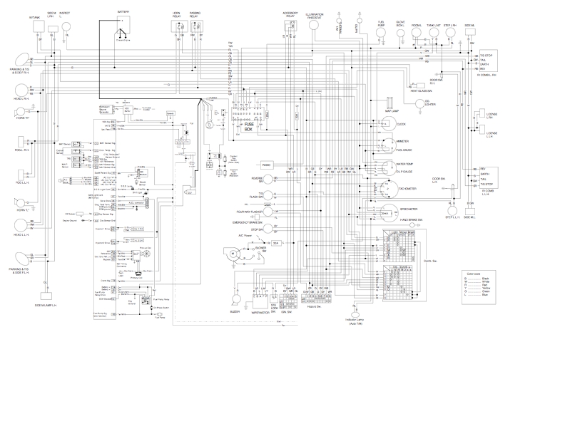
GM ECM into '72 datsun wiring diagram Low Rez


strotter

This is the wiring diagram I created for my (original) swap of a GM '7747 ECM into my '72 Z. I basically copied an original Z diagram, modified it, and then drew in the necessary parts of the ECM diagram. Note that all switched (+) power for the system comes from a central distribution terminal dedicated to the ECM, except for hot leads (generally heavy loads) to relays, which are separately fused (though that's not really shown - sorry). This distribution is shown in the same way that GM did it, with a note "switched" at the appropriate spots. I was mostly interested in debugging the simplified ECM wiring.

 

Currently I'm running a '7730 ecm, which uses different pins on the ECM, though they generally have the same names (and functions). I didn't have to change any sensors out for that modification.

From the category:

Members Albums

· 30958 images
  • 30958 images
  • 971 image comments


Recommended Comments

There are no comments to display.

Join the conversation

You can post now and register later. If you have an account, sign in now to post with your account.

Add a comment...

×   Pasted as rich text.   Paste as plain text instead

  Only 75 emoji are allowed.

×   Your link has been automatically embedded.   Display as a link instead

×   Your previous content has been restored.   Clear editor

×   You cannot paste images directly. Upload or insert images from URL.

×
×
  • Create New...