ottoauto
Members-
Posts
52 -
Joined
-
Last visited
About ottoauto
- Birthday 04/20/1987
Profile Information
-
Gender
Not Telling
-
Location
Bellingham, Wa
ottoauto's Achievements
Newbie (1/14)
10
Reputation
-
Wiring help? I'm ready to fire this beast up
ottoauto replied to ottoauto's topic in Ford V8Z Tech Board
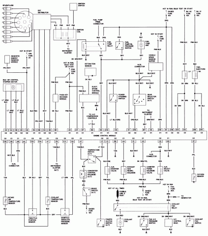
Ok. Here is the correct diagram. I have everything connected as directed. I'm using black/yellow strip to ignition (START post on solenid) and a thick white wire to the posative direct power. Everything else is what the diragram is saying, And the small light blue wire from the relay is connected to the S post on the solenoid. Maybe it is working.. I'm getting spark but it won't fire (on starting fluid). I pulled out first spark plug, set engine to top dead center and lined up the rotor with cylinder 1. Why would it not fire. I know this is a slightly older post, but I have all my info and it still isn't firing! why? Please help. I have no clue what would cause it not to fire if there is spark and I having the timing lined up (atleast close enough to get a response) -
Wiring help? I'm ready to fire this beast up
ottoauto replied to ottoauto's topic in Ford V8Z Tech Board
Anyone? Can I just skip the relay, and make this nice and clean. Now that I have thought about it enough I feel that I probably can... I don't see why it wouldn't work.. -
Wiring help? I'm ready to fire this beast up
ottoauto replied to ottoauto's topic in Ford V8Z Tech Board
As far as I can tell I have most of it right. I just replaced the resistor today (was using a stock datsun resistor which I thought might work because it is 1.6 ohm and the ford calls for 1.35) I'm using a thick white wire for main power connected to the posative battery(on the solenoid) and a black wire with yellow stripe going to S on the solenoid (start). I don't quite understand the duraspark wiring diagram above, because as far as I am aware there are supposed to be two curcuits to the posative side of the coil (one through the coil at 8 volts to the coil when running, and one direct at 12 volts upon starting.) should I just skip the damn relay, can I? Could I skip the relay, and run start (black/yellow)to solenoid (S post) and then run a wire for normal running power to the coil through the resistor and the red duraspark wire and fire it up? I might just be complicating it further than I need to. I would like to have the cleanest simplest wiring possible. And aside from this does the engine need to be completely level? I have been battling this B.S. premade engine cross member that I bought. I don't want to pull the engine out right now, but basically I really need to modify it to hold the engine about 1" lower and then I need to shift it about 1" back, and then everything will fit like a glove. but at that point I might have a problem with the location of the Stabilizer bar steel cup and the exauhst, and I would have to shorten the driveshaft again.... but I can't just lower it where it is (to level it) because then I'm not going to be able to make the steering collumn fit. move one thing, and ten other things don't fit.... hmmmm. -
Wiring help? I'm ready to fire this beast up
ottoauto replied to ottoauto's topic in Ford V8Z Tech Board
sorry. I think that last diagram wasn't too helpful. Its a duraspark ignition system, HEI distributor. I think I might have screwed up the curcuit, and the coil might be getting 12v all the time instead of just on start up. I found a voltometer and I'll be testing a few of those things tonight. -
vin number is 11360. its a 70 sold as a 71. So for all practical purposes its the 70 model. It doesn't have the earlier bumper though obviously. I'm trying to solve a little wiring issue too. I'm sure its very simple but I posted on the v8 website. I would appreciate any advice. I put the wiring diagrams with it and explained what was goin on.
-
Please, tell me what I might be doin wrong. The relay in the system is sticking on even after I turn the key switch off. The coil and resister continues to get hot. I think I ran the a power to the relay from the ignition side of the solenoid instead of the coil, but I didn't think that would make a difference. I used the black/yellow for my starter wire, a thick white wire for power. I'm not sure why this is occuring. Anyone who is good with wiring, I would appreciate a little advice. I hate wiring. As soon as I lift the battery cable off I hear the relay click open again. I'm really ready to take this thing for a drive, but I need to finish welding up the transmission bracket and fill it with fluids. And I need to figure out how the transmission cable connects, because I got it without any brackets or anything for the cable.
-
So its coming along great, but I can't quite get the steering collumn to fit past the headers. Could anyone give me and advice? The engine can't go any further back, and I have tried denting the header but it didn't quite give me enough clearance.
-
The only way i could get these to even come close to fitting is putting them on facing foward... which isn't so bad because im doing sidepipes anyway, I dont want to cut up the frame. Are there any potential problems with this? What headers will actually work when the engine is tight against the firewall?
-
yep. 800 clear title and everything. Even had the original owners manual with the car
-
-
-
Sorry... Ill get pictures tomorrow... I have the car at home. Im going to college a couple hours away. Ill check the production date. its a '71 and does have the early vents on the deck lid, but it doesnt have the earlier bumpers. Its also not the later heaviest bumpers. 59K on the odometer
-
attachment=17993:PICT0043.JPG]Just bought my first 240z with a 302 v8. I sold my first z car a couple months ago and had to get another. I saw an add for a 240z shell on craigslist for 500 ready for a v8. When i got there the car had not a touch of rust, straight body, good paint, perfect dash, and so on. He also has a 302 built engine with under 100 miles on it that he had in the car for a breif time to get it home from the shop after fabricating the mounts, an auto transmission, alum radiator, brand new carb, bunch of stuff... I left with everything for 800$ I want to go with a manual, my first question is do i change the clutch master? and will the cross member be different than what would have been in the car for an automatic? I'm sure ill have more questions along the way, what are the best headers to use?
-
Srry. I havent made a lot of progress. Stuff kind of randomly went wrong with my z car with bad timing. Im out of school in less than two weeks. ill show pictures of my set up and everything shortly after that. sorry this is taking me some time. Guy that wants the rough dash, i can get it to you for about 250. Ill be using it to sand down and create my primary mold off of.
-
I just had something come up but I think it's working itself out, I should be buying the supplies in the next couple days and putting it together this weekend. I'll be sure to have pictures.