Jump to content
HybridZ

Fuel tank return inlet


h4nsm0l3m4n

Recommended Posts

I was working on redoing some of my fuel pump/surge tank system when I found something wierd. The fitting on the left side of the tank is acting normally - soon as I take off the line fuel comes rushing out. When I do the same for the right side fitting, nothing happens. I know its possible that the pick up tube on the other end is all clogged up with something but I'm trying to make sure I'm not missing something before I put the car back together. Is there no check valve or other device keeping fuel from coming out of the tank through the return line?

 

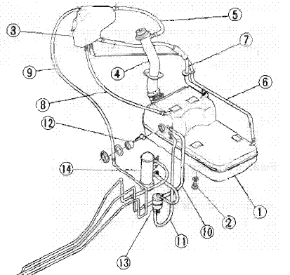
I started looking into it a little more and another thing I noticed was that my tank did NOT match the tank in the FSM (below).

74_260z_fuel_tank.gif

My car is a 74.5 (12/74 build date) so I'm used to it having bits and pieces off the 75 model year car. I found a picture of the 75 fuel tank (below) and visually it seems to match up with the tank I have.

schematic.gif

My question here is what is the thing inside the tank on the return line? It looks like the tank outlet is a pick up tube, but the return line tube runs farther inward and down into a cup looking thing. What is that for? Would it have any impact on my earlier question?

 

These might be trivial/stupid questions, especially since I havent had any issues with the fuel tank previously. I'd like to avoid unnecessarily dropping the tank but at the same time I dont want to just put it back together without understanding what is going on.

Edited by h4nsm0l3m4n
Link to comment
Share on other sites

I was working on redoing some of my fuel pump/surge tank system when I found something wierd. The fitting on the left side of the tank is acting normally - soon as I take off the line fuel comes rushing out. When I do the same for the right side fitting, nothing happens. I know its possible that the pick up tube on the other end is all clogged up with something but I'm trying to make sure I'm not missing something before I put the car back together. Is there no check valve or other device keeping fuel from coming out of the tank through the return line?

 

I started looking into it a little more and another thing I noticed was that my tank did NOT match the tank in the FSM (below).

74_260z_fuel_tank.gif

My car is a 74.5 (12/74 build date) so I'm used to it having bits and pieces off the 75 model year car. I found a picture of the 75 fuel tank (below) and visually it seems to match up with the tank I have.

schematic.gif

My question here is what is the thing inside the tank on the return line? It looks like the tank outlet is a pick up tube, but the return line tube runs farther inward and down into a cup looking thing. What is that for? Would it have any impact on my earlier question?

 

These might be trivial/stupid questions, especially since I havent had any issues with the fuel tank previously. I'd like to avoid unnecessarily dropping the tank but at the same time I dont want to just put it back together without understanding what is going on.

 

Not a dumb question - as I recall the FSM doesn't talk about it at all.

 

The cup-looking thing should be (at lest it is on my 78) a swirl pot. They feed the return line through a small jet pump into the swirl pot to keep it filled with fuel, The pickup line then draws its fuel from the pot, so that it always has a head of fuel over it. The pickup tube has a filter over it, so it _shouldn't_ clog up from stuff in the pot, but its still possible that something has rusted and clogged internally.

Link to comment
Share on other sites

Thanks for the reply, very interesting. If my understanding here is right, even if there is a swirl pot in the return line pickup the fuel should still come out of the line when I open it up right? If thats the case then I guess something is clogged up and a good tank cleaning is in order. This is strange because my fuel has always been pretty clean and I've never had issues with this before. Oh well :rolleyes:

Edited by h4nsm0l3m4n
Link to comment
Share on other sites

Join the conversation

You can post now and register later. If you have an account, sign in now to post with your account.

Guest
Reply to this topic...

×   Pasted as rich text.   Paste as plain text instead

  Only 75 emoji are allowed.

×   Your link has been automatically embedded.   Display as a link instead

×   Your previous content has been restored.   Clear editor

×   You cannot paste images directly. Upload or insert images from URL.

×
×
  • Create New...