Miles Posted October 9, 2013 Author Share Posted October 9, 2013 That 23/32" was a typo fortunately. It took me about 2 weeks to find that dimension. I knew it was lurking somewhere in an old post. Quote Link to comment Share on other sites More sharing options...
Miles Posted October 13, 2013 Author Share Posted October 13, 2013 There has to be a problem with how the caliper mounts to the strut. Note rotor not centered in attached picture. Also, see hub to strut measurement picture. I am now considering milling about 1mm off the caliper bracket where it bolts to the strut. That would pull the caliper inboard which would center the rotor in the torque member slot. Quote Link to comment Share on other sites More sharing options...
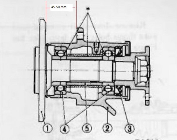
Miles Posted December 24, 2013 Author Share Posted December 24, 2013 I believe I have found the reason for the calipers dragging causing the right rear rotor to get hot. After replacing the bearings in the right rear hub I was able to measure 0.001in. runout at the hub face and the new rotor has 0.003in. runout along the same radial as the hub runout. Also, there is latteral slop when rocking the hub at the 9 o'clock and 3 o'clock positions indicating a warn bearing carrier(hub). So the hub is bent and the strut will have to be replaced. More details here: http://forums.hybridz.org/topic/115940-stub-axle-flange-rubbing-on-the-face-of-the-hub-bearing-carrier/page-2 Quote Link to comment Share on other sites More sharing options...
Miles Posted February 18, 2014 Author Share Posted February 18, 2014 Update: The problem was caused by bent stub axle flanges. I couldn't good used stub axles so I bought new stub axles from Chequered Flag Racing and replaced the bearings. All is well now. http://www.chequeredflagracing.net/Datsun.html Quote Link to comment Share on other sites More sharing options...
Recommended Posts
Join the conversation
You can post now and register later. If you have an account, sign in now to post with your account.