ZT-R Posted September 11, 2011 Share Posted September 11, 2011 (edited) Hey guys, I have been reading threads all day trying to get my speedhut tach to work with my rb26. I am more confused now than when i started, so i figure why not get yelled at too. The speedhut requires a negitive coil/tach output. I have it hooked up to the timing light connector's white wire right now, but it isnt working. I also hear you can use ecu pin 7 and a 10k resister (pull up). I would like to hear from someone that has already got it working. Do i clip the loop wire on the back of the tach or not and so on? Edited September 11, 2011 by ZT-R Quote Link to comment Share on other sites More sharing options...
pat1 Posted September 11, 2011 Share Posted September 11, 2011 (edited) This is what I used. It's for a rb20 but the ignition signal is the same as a rb26. Edited September 12, 2011 by pat1 Quote Link to comment Share on other sites More sharing options...
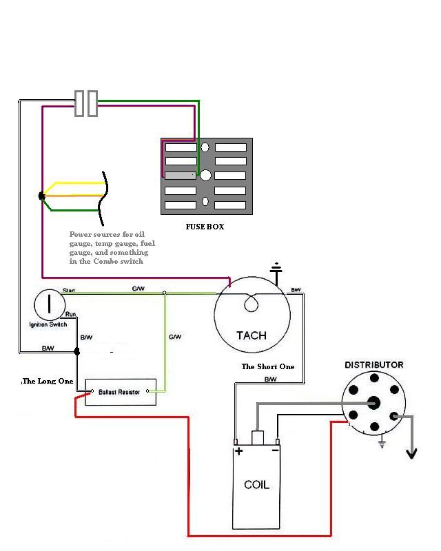
rayaapp2 Posted September 12, 2011 Share Posted September 12, 2011 (edited) This is what I used. It's for a rb20 but the ignition signal is the same as a rb26. Ditto... Only I didnt know the resistance rating I needed so I used a light bulb I had around that happened to work. And I have a later style tach with only 3 wires and works as the Negative pickup style. It sounds like you have the inductive style tach from an early(early 73 and back) car? Here is the wiring for an early 240Z with that style tach if I am correct. Edited September 12, 2011 by rayaapp2 Quote Link to comment Share on other sites More sharing options...
ZT-R Posted September 21, 2011 Author Share Posted September 21, 2011 Well, I can hit my staples easy button on this one... Speedhut directly to pin 7 on the ecu and that is it. Quote Link to comment Share on other sites More sharing options...
rayaapp2 Posted September 21, 2011 Share Posted September 21, 2011 Well, that works, but it seems youve escaped WITHOUT ANYONE YELLING AT YOU. Glad you got it sorted out and so easily. Its nice when things just work together. Quote Link to comment Share on other sites More sharing options...
Recommended Posts
Join the conversation
You can post now and register later. If you have an account, sign in now to post with your account.