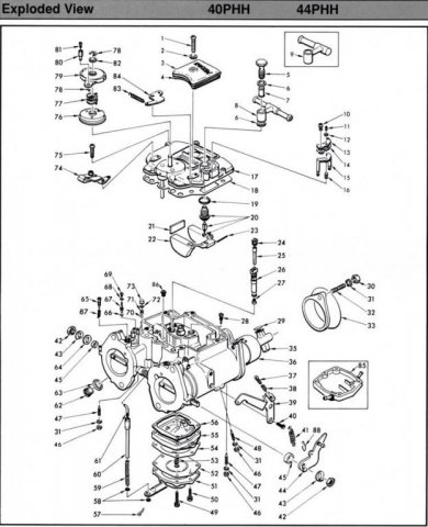
Z-Rider Posted January 4, 2017 Share Posted January 4, 2017 Hey z guys, anyone have these parts in you extra parts bin? On the diagram it's part 39 and 44. I'm needing 2 sets. Both 40 and 44phh fit. Also looking for part 26, jet block. Just need 2 of those off a solex 44phh only. If you have them let me know price. Thanks! Quote Link to comment Share on other sites More sharing options...
gnosez Posted January 4, 2017 Share Posted January 4, 2017 If no one replies, try Wolf Creek Racing. Dave Patton took over the business last year. I just got 3 master rebuilt kits for a set of 40mm Solexs Quote Link to comment Share on other sites More sharing options...
Z-Rider Posted January 4, 2017 Author Share Posted January 4, 2017 Sounds good Gnosez, thanks. I will wait few more days to see if anyone here has any, if not I will give them a shot. Thanks again!! Quote Link to comment Share on other sites More sharing options...
30855 Posted April 5, 2017 Share Posted April 5, 2017 Coming in late on this, but I discovered this place for Mikuni parts. Great service! http://www.upgrademotoring.com/performance/mikuni/mikuniracing_parts.htm Quote Link to comment Share on other sites More sharing options...
Zracer Posted April 18, 2017 Share Posted April 18, 2017 You can also try Mike Malone out in California. He has been rebuilding sets of 40 and 44 PHH Mikunis for a while and has several used and new parts. He is often on the facebook page Datsun Parts and Needs or PM me for his email address. Quote Link to comment Share on other sites More sharing options...
Recommended Posts
Join the conversation
You can post now and register later. If you have an account, sign in now to post with your account.