jhill Posted April 6, 2010 Share Posted April 6, 2010 I will literally blow this car up soon if i dont get it to start. I swapped an 82zxt motor into my 78 that ran great and started great in the zx. Now nothing. the car sat here at my house for 3 months before i got fed up with it and then sent it over to a mechanic friend of mine who i said i would pay large amounts of money to if he could get it started. Now, i am over there with him everyday still trying to get it to go. We have narrowed it down to a bunch of different possibilities, one of which is the fact that there is a flat prong on the front of the distributer that has nothing connected to it. We hooked it to power and it just about fried the car. Hooked it to ground, nothing. So my question is, what does this go prong go to? The haynes manual is a mess when it comes to just about anything that i actually want to know and were running out of ideas Please Help. Pic attached Quote Link to comment Share on other sites More sharing options...
yetterben Posted April 7, 2010 Share Posted April 7, 2010 that prong is for ground and it wont stop the car from firing lol. Quote Link to comment Share on other sites More sharing options...
vantage Posted April 7, 2010 Share Posted April 7, 2010 Can you post a photo or a drawing of the distributor/ignition wiring? Quote Link to comment Share on other sites More sharing options...
jhill Posted April 7, 2010 Author Share Posted April 7, 2010 (edited) ok, so i am heading back over to work on the car tommorow, so i need to go back with some new ideas. I attached a drawing i did on paint of the way i have the distributer/ignition wiring. Please tell me if anything looks wrong The other thing i wanted to add that i forgot to mention in the original post is that for everytime the starter turns the flywheel like 10 times we got a little blip of a spark..which made us think that everything was hooked up right, and we either had a bad connection somewhere or some component was bad. We rechecked all the electrical connections and the turbo donar car started great so i dont know. Could the coil be bad? Is that why we're getting intermitent spark? I know the diagram i made is a little rough, if you need me to make a new one i will. untitled2.bmp Edited April 7, 2010 by jhill Quote Link to comment Share on other sites More sharing options...
vantage Posted April 8, 2010 Share Posted April 8, 2010 Based on your drawing i would suspect that there are two +12V wires (b/w 12V key and yellow 12v cranking power) connected to the two coil terminals, so whats missing is the switched ground coming from the transistor ignition. I have no experience with the ZX Turbo engine and wiring so am not sure about the wire colors. Please see the ZX280 E12-80 wiring attached below for an example of a correct coil wiring, the (+) terminal of the coil is wired to +12V coming from the ignition key (start and run position, the later one via a ballast resistor), the (-) coil terminal is wired to the output of the ignition module. You need to make sure that the output of the ignition module (which is probably installed on the distributor body) is wired to the (-) terminal of the coil and the (+) terminal of the coil is wired to +12V coming from the ignition key. The little spark blib you see is most probably induced by a potential difference as soon as you turn off the starter, this is not an indicator that the coil is defective but a side effect of the current wiring. Quote Link to comment Share on other sites More sharing options...
jhill Posted April 8, 2010 Author Share Posted April 8, 2010 is this what i am missing?(attached pic) I apologize but all these wiring diagrams seem to be having the opposite effect on me that they should, i am more confused than ever lol. The info is good though keep it coming. I know eventually ill read something and it will all make sense. Maybe if i could see a picture of a properly hooked up ignition in the engine bay... Quote Link to comment Share on other sites More sharing options...
DCZ Posted April 9, 2010 Share Posted April 9, 2010 Are you using the turbo coil with ignitor on the coil bracket? That diagram that Vantage put up is for the non-turbo application. Actually, I just checked your diagram and it looks like you are using the turbo coil. Make sure you are getting a pulsing on the yellow wire on the ignitor when cranking. This is the gating signal that causes your coil to fire. If not, check for pulses on the signal wires coming from the CAS. Out of the 4 wires on the CAS, there is power, ground, and two signal wires. You need a FSM to figure out which is which. When you are cranking the engine, you should have pulsing on the two signal wires, referenced to ground. All this assumes you are getting no spark from the coil. Have you tested that? Quote Link to comment Share on other sites More sharing options...
jhill Posted April 10, 2010 Author Share Posted April 10, 2010 (edited) Yeah that picture was just of a section of wire that i wasnt sure about. I'm pretty sure it came off the old wiring but i keep getting confused from reading too many "my car wont start l28et swap" posts lol I'm getting no spark from the coil, and no pulses from the yellow wire on the coil. I'll have to check the CAS then. Its a 45minute drive over to where the car is, so if i could get some help ahead of time, what should i troubleshoot next if I am/am not getting pulse from the CAS? Also the coil being bolted to the body (in the pic), that is enough to ground everything out there? All help is much appreciated, my frustration is palpable when i work on the car now. I used to really enjoy it, I hate electricity Edited April 10, 2010 by jhill Quote Link to comment Share on other sites More sharing options...
jhill Posted April 12, 2010 Author Share Posted April 12, 2010 sooo let me get this straight, if I have no power coming through the CAS, The computer won't tell the coil to fire. Now, how do I get power to the CAS? Quote Link to comment Share on other sites More sharing options...
DCZ Posted April 13, 2010 Share Posted April 13, 2010 (edited) sooo let me get this straight, if I have no power coming through the CAS, The computer won't tell the coil to fire. Now, how do I get power to the CAS? Check your schematic from the FSM to see where the power for the CAS comes from, I don't have one with me right now. Like I said above, the CAS has +12V on one wire, ground on another, and outputs pulses on the other two wires when the distributor spins. One wire pulses (I think) 360 times per revolution (1 degree) and the other pulses 6 times per revolution (60 degrees). Verify that by looking at the slits in the round plate in the distributor. If you are not getting the +12V at the CAS you will need to trace it out using the wiring diagram. Post back with your results. Edited April 13, 2010 by DCZ Quote Link to comment Share on other sites More sharing options...
jhill Posted April 13, 2010 Author Share Posted April 13, 2010 Well we tested the 4 wires and and came up dead on all of them. Bad news I know. We traced the wires back using the FSM and they go straight to the computer, so that means they should be getting power from the computer? Wierd thing about that was the wire colors going into the computer didnt match what the service manual was telling us they should do. Next session were going to open up all of the wires looms, label everything, trace everything. We figured that was the best baseline starting point since we cant seem to get anything done focusing on just the ignition stuffs. Quote Link to comment Share on other sites More sharing options...
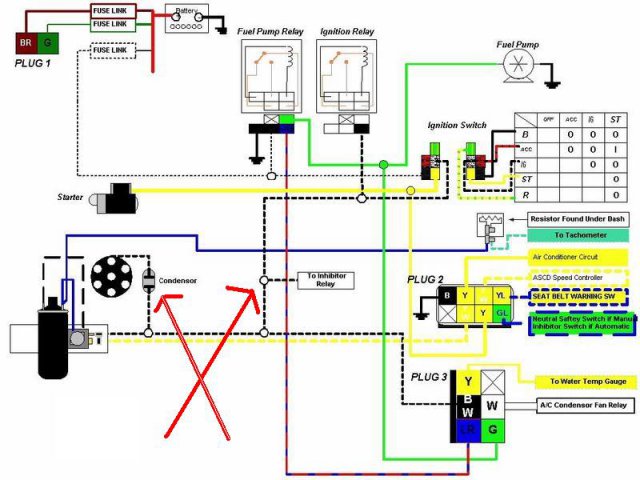
jhill Posted April 16, 2010 Author Share Posted April 16, 2010 Ok, I am starting to feel a little better about this. Dont quote me on this, but I think we have located the problem. Which, of course presented a new problem, I put two red arrows pointing to what is missing from the wiring we did. This is one of many diagrams we were trying to follow. Please maybe a picture, an explanation, something, what are these and will it stop the car from starting. Quote Link to comment Share on other sites More sharing options...
DCZ Posted April 16, 2010 Share Posted April 16, 2010 Where did that last diagram come from? That ignition relay does not look like it is hooked up right, but it's hard to tell without all the wires drawn. Regardless, that condensor missing should not cause a no-start. I don't know what the 'inhibitor relay' is but it's possible it could 'inhibit' the ignition, but you would need to verify that circuit to see what it does. That yellow wire going to the igniter (the transistor on the coil bracket) - did you say you are getting a steady +12V on that wire? It should be coming from a white connector in the harness near the ECCS and it should not be a steady 12V. As I remember, that connector has several yellow wires so maybe you tapped into the wrong one? Did you follow Bumblezee's turbo swap write-up in the Turbo forum? I'll check my FSM diagrams and my notes from my swap tonight if I get a chance and post back if I have anything to add. Quote Link to comment Share on other sites More sharing options...
jhill Posted April 17, 2010 Author Share Posted April 17, 2010 That diagram came from one of the "my turbo swap wont start" posts, somebody had posted it to help out. Apparently a guy who has done this swap before made it. Yeah, I dont know what the inhibitor relay is, nor can I find it in the turbo car anywhere so thats got me pretty stumped. The yellow wire going to the coil reads dead all the time, key on, cranking, dead. And yeah I did follow bumblezees turbo swap guide. I hooked everything up originally based off of that. I studied it like a bible for the longest time, thinking, clearly I just must be missing something or read something wrong. Then I got fed up with that write-up because it didnt seem to be getting me anywhere so I branched off into alot of other "guides" with a lot of "mis-guided" info. Ive tried nissan dealerships around my area for some info too, ha that was a joke. I was litteraly laughed at and told "nobody here wants to mess around with anything that old." Nice. Quote Link to comment Share on other sites More sharing options...
DCZ Posted April 18, 2010 Share Posted April 18, 2010 Double check that yellow wire going to the transistor on the coil bracket. According to the FSM page EF&EC 98, it should be a yellow/white wire that goes to pin 5 on the ECCS "computer" unit. Ohm it out with a DVM and make sure that wire goes to pin 5. If it does, and that wire is totally dead when cranking, I would check all the power and grounds going to the ECCS unit. You also said that you are getting nothing at the CAS. This is definitely part of the problem. I am pretty sure (but don't quote me on this) that both the ignition pulse going to the transistor at the coil and the triggering of the fuel injectors are dependent upon the ECCS getting the pulsing signals on the two wires from the CAS (G/B going to pin 17 on the ECCS and G/Y going to pin 8 on the ECCS). You should be getting 12V on the B/W wire at the CAS (comes from the ignition relay) and ground on the B wire. If you have power and ground but no pulses on the other two wires when the distributor is spinning, you have a bad CAS. Looks like you need to get your volt/ohm meter and, as our man TonyD likes to preach, "Verify, Verify, Verify" Quote Link to comment Share on other sites More sharing options...
jhill Posted April 18, 2010 Author Share Posted April 18, 2010 Thanks DCZ, your keeping my hopes up that I may be able to one day fire her over. I should be able to get back to my car monday or tuesday and update with any new info. Quote Link to comment Share on other sites More sharing options...
jhill Posted April 22, 2010 Author Share Posted April 22, 2010 Got back to the car today, for a while it sucked, then we started to get "some" answers . They were sorta negative but at least were figuring stuffs out. Anyways no power on the yellow and white wire ever, so no power in the computer right? At the same time we do have power to the injectors, which work off a similar power wire I think (my brain explodes once or twice everytime I'm working on her so forgive the haziness on some details) as the computer. So there should be power, then we checked grounds and unless we missed one (they do branch alot) all grounds appear to be grounded. Is the computer fried then? If somebody could explain exactly the wires that give the computer power and ground I think that would be very helpful in the process of elimation game were playing. The hayness manual I have has wire diagrams but they arent very productive or accurate. Oh yeah, no green LED light either, figured I'd throw that in too. One last question for this post, Is this the ignition relay/is it hooked up correctly? Quote Link to comment Share on other sites More sharing options...
cygnusx1 Posted April 22, 2010 Share Posted April 22, 2010 (edited) The ZXT ECU got it's power from the fusible links that were on the pass. inner fender. Â Those links fed the two original green relays built into the ZXT harness. Â When you stuff the ZXT harness into an S30, you will get an 8 pin connector under the dash that has no where to connect in the S30. Â This method uses the original Fuel Pump Control Module from the ZXT and ECCS unit. Â The Fuel Pump Control Module case needs to be grounded. From a slightly foggy memory, you need to: 1) Send high current power to the contacts in the green ZXT ECCS relay. Â I think the control for the Fuel pump relay is already wired in the ZXT harness. 2) Send a switched 12v wire to the control side of both green relays. (from the S30 ign sw.) 3) You need to connect 5 wires to that ZXT 8-pin connector that is now under the S30 Dash. (see drawing) 4) Try to make sense of this diagram. I sketched it while upside down under the dash. Wire to the normally open sides of the relays. http://forums.hybrid...ram-DRAFT-1.jpg I hope I helped and didn't make things worse! Â Edited April 22, 2010 by cygnusx1 Quote Link to comment Share on other sites More sharing options...
jhill Posted April 25, 2010 Author Share Posted April 25, 2010 (edited) Cygnusx1 Thanks for the diagram, I think we got the relay wired in so that pretty much takes care of all the "key on" portion of the wiring. We still can't figure out why theres no power in the computer and because of that we can't get any power past the "key on" point. a.k.a. no cranking power. We've got the wires coming out of the fusible links hooked up so there should be power there but nope, nothin'. Ground issue? I wish there was a CT member that could stop by and help out, I know it's tough for you guys to answer all my questions without being there. Too bad I don't live on the west coast, alot more z traffic out there lol. Edited April 25, 2010 by jhill Quote Link to comment Share on other sites More sharing options...
DCZ Posted April 26, 2010 Share Posted April 26, 2010 >The hayness manual I have has wire diagrams but they arent very productive or accurate. Do you have the Factory Service Manual? Get a copy! Download is free (search). I would not do this conversion without one. The pages I referenced above in the 82 FSM are much more informative than anything you will find in a Haynes manual. Quote Link to comment Share on other sites More sharing options...
Recommended Posts
Join the conversation
You can post now and register later. If you have an account, sign in now to post with your account.