Jump to content
HybridZ

mainboyd

Members
  • Posts

    83
  • Joined

  • Last visited

  • Days Won

    1

Everything posted by mainboyd

  1. Yea I saw it but it's a little too pricey for me right now especially if I am having it shipped. Sorry. Thanks for the offer though!
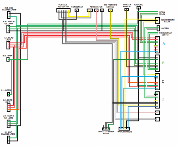
  2. Hi, I am in need of a F54 Block for my turbo setup. I bought an L28ET and decided to have the P90 head get a valve job and when I took it off I noticed cracks on the block going across 5 of the threaded holes for the head bolts.... I have a pic of one of the cracks as an attachment below. Thanks, David
  3. Two questuons: I was wondering if anyone knows or has a diagram of some sort of the coolant passage for the internals of a P90 head, or of any 280z or zx head. Also, would the P90 head have the same coolant passage in comparison to any other L heads? Keep in mind that I'm referring to the internal coolant flow in the heads. I have an idea in mind and am wanting to experiment with these heads because I would like to do some custom work on them. Possibly redesign the head if possible... I have found a couple forums that is similar to what I'm asking for but not exactly. Kinda like this one: http://forums.hybridz.org/topic/115160-l6-cooling-system-diagrams/ Any info would help Thanks
  4. I believe the BY wire is for the throttle because according to my diagram, it is coming from the throttle opener relay... I just don't know what the actual term is...
  5. ok thanks! I will look more into that black and yellow wire. It seems like another z owner from the classic zcar club website had the same question about that black with yellow stripe wire, here is the link to the page: http://www.classiczcars.com/forums/electrical-s30/47698-trying-get-my-tach-back-73-240z.html You think its for the "throttle opener"?
  6. z240 THANK YOU!!!! That helped me a lot and clarified a few things for me. I have one more question about the harness and I believe I will be finally done with it once I figure out where they go. Would anyone know where the last 2 wires at the very end of the harness go? One is a long yellow with white stripe wire and the other is a shorter black with yellow stripe wire. The picture bellow shows what 2 wires im talking about with the green arrows pointing at them. Thanks
  7. I did a little google search and I believe its a "Back Up Lamp Switch": Is this correct?
  8. ok so I was able to figure out what wires go where for the coil and the ballast. Here is an update of my 1973 240z body wiring harness (please feel free to let me know if I wired anything wrong): I just have a few more wires that I don't know where they go. Few of the questions relate to these wires that I have circled with green; -In the pictures below I have 2 red with black stripe wires (one of the wires turns into a blue with red stripe wire) that seem like they would go to the same component however, I don't know what that would be. When pulling the harness out, a part fell. What is that? Is that where the 2 wires go? -In these next pictures below I have two wires, one Black wire and the other is black with yellow stripe(connects to the same blue with red stripe wire from my first question) that are connected to each other at the end. It follows the yellow with green stripe wire that is I believe for the "brake switch". It seems like the previous owner did some custom work with this section of the harness and just had these two wires connected at the end. - Last is the 2 wires at the very end of the harness, yellow with white stripe wire and black with yellow stripe wire. Where do these go? You can see them on the diagram I put together. Many thanks,
  9. Thanks cgsheen!! you have pointed me in the right direction! I found a few pics online of the ballast and coil that is very helpful but still might have some questions later here are some of the pics:
  10. OK so I laid down my body harness on the floor, roughly placing/laying the wires and connectors where they would be located if in the car and took a picture just so we all know what unknown wires im talking about. And sorry about the poor quality 3G iphone pic... There are also some connectors that just have " ? " because I don't know the description of them (Red/White wire & White wire)
  11. so nothing... no one knows any connectors that I might be missing?...
  12. Hello z members, I am in need of help and need your expertise on my body wiring harness. On paper I have a 1972 240z. However, it seems like the body harness is from a 1973 because of the 4 different color connectors at the beginning of the harness (Black, Blue, Green, and White). After looking around online for a couple weeks and looking at the 1970 – 74 body harness on www.xenons30.com trying to find out what year my harness is from and what connector goes where, I have decided to create my own wiring diagram. Reason why is first, the wire colors don’t exactly match to any of the Factory service manual body wiring diagram for any of the z years. Second, the previous owner cut and added a lot of wires to the harness. Third, I have a L28ET engine that I will be dropping (not sure if this will matter much). I have completed about 85 to 90 % of the wiring diagram for a “1973†body harness. I can’t complete the rest because I have 9 unknown wires that I don’t know where they go. There are 3 wires from the blue Connector A (yellow/green, red/black, and red), 2 wires from the black Connector C (black and red/blue), 3 wires from the white Connector D (green/white, black, and yellow/white), and 1 wire from the Throttle Pener Relay (black/yellow). Can someone please help me find where these wires go and or connect to please? I have a pic of what I have completed so far for the diagram. Many thanks
×
×
  • Create New...