SoFlaZ06 Posted August 29, 2017 Share Posted August 29, 2017 I have a 1978 280Z, I'm new to the Z and this platform and looking to see what direction to start diagnosing this. So i'm driving one day, and car just dies. It will turn the engine over, but won't start. it appears everything electrical if off when the key in in the "On" position. then I noticed the switch is working funky, but I haven't had the car long enough to confirm is this is abnormal. but i appears to be working backwards, like everything (gauges,fuel pump etc) turns on when key in the "Acc" position, but turn off when in "ON" So I figure the switch is bad and wanted new keys anyway, ordered new ignition, same problem Where do I go from here? where can I get schematics for these cars I tried manually engaging the starter, with the key in the "acc" position, to see if it'll run since the fuel pump etc is running, but that didn't work :cry Quote Link to comment Share on other sites More sharing options...
NewZed Posted August 29, 2017 Share Posted August 29, 2017 You can get service manuals with schematics at nicoclub.com. Link below. 1978 has an odd fuel pump power circuit, with multiple relays. It's shown in the Engine Fuel chapter. The pump should get power at Start, and when the engine is running, but not at Run if the engine is not running. But your problem, since things seemed to work right, might be related to the Ignition Relay. A short maybe. It's schematic is shown in the Body Electrical chapter, with location, and in Engine Electrical too. Could also be that somebody mucked around with the wiring and it has failed. I'd figure out why Acc is powering the pump first, then figure out why Start is not. Good luck. http://www.nicoclub.com/FSM/280z/ Quote Link to comment Share on other sites More sharing options...
Globerunner513 Posted August 29, 2017 Share Posted August 29, 2017 (edited) Make sure to check the fusible link wires in the engine bay too. EDIT: ehh, probably doesn't have anything to do with your issue but still a good idea to double check them. Edited August 29, 2017 by Globerunner513 Quote Link to comment Share on other sites More sharing options...
Pharaohabq Posted August 29, 2017 Share Posted August 29, 2017 I think Globerunner513 is onto it. That's the first thing I'd have checked. Most of the systems run through those fusible links. When I've blown one it was like a complete systems failure. No starty, headlights acted funny. all the fuses were still good, but the fusible links burn slowly so momentary high amp draws will heat, but not burn one. A little longer draws will burn it. I'd check those and then keep looking. Quote Link to comment Share on other sites More sharing options...
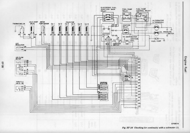
SoFlaZ06 Posted August 31, 2017 Author Share Posted August 31, 2017 ok so I have spark, I can prime the fuel system in the accessory position, the fuel pressure gauge will peak at 36psi, sometimes it'll hold it during cranking, sometimes it won't, I'm not sure how the fuel relief is setup on these cars. but the fuel pump definitely isn't running on the "on" or "start" position. So I went back to the ignition switch, I have constant 12.5v from the White/red wire, in the ignition Acc position, i'm getting 12,5v there too, that's the blue/red wire, in the ON position, I'm getting the 12.5V there also. from the switch to the fuse box, and leaving the fuse box. During starting phase, the black/yellow wire is reading 12.5V also. So assuming the wiring isn't mixed matched. the ignition switch checks out as functional. The schematic I have doesn't identify the colors. No i'm trying to figure out which is the Fuel pump control relay and which is the fuel pump relay, so i can start testing there. I see 4 relays on that bracket Which is which? and here's my schematic sheet i'm working with Quote Link to comment Share on other sites More sharing options...
NewZed Posted August 31, 2017 Share Posted August 31, 2017 (edited) Nissan's FSM's grow from simple to complex. The farther you go the more they tell you. EF-41 shows where the relays are. And. of course, the next page from your schematic shows the test procedure. Edit - the relays are in the engine bay, by the battery. Nissan's pictures aren't the clearest. Edited August 31, 2017 by NewZed Quote Link to comment Share on other sites More sharing options...
SoFlaZ06 Posted August 31, 2017 Author Share Posted August 31, 2017 oh wow, thanks. I was way off then, I was way by the passenger footwell area. Quote Link to comment Share on other sites More sharing options...
SoFlaZ06 Posted September 26, 2017 Author Share Posted September 26, 2017 (edited) Still chasing this, I'm narrowed it down to the injector isn't getting a signal. I have spark and fuel pressure, the injectors just isn't firing. I'm getting 12v to one side of the injector connector ( the relay side) when all the injectors are unplugged, but not at the other side of the connector (which is the ecu side of the harness), when I plug the other 5 injectors in, I'm getting 12v on both side of the connector, but it still wont light my noid light. But from what I've read, the ECU grounds the circuit to fire the injector. I tried my ecu in an 77 test car I have here, that car run with my ecu. but the test car ecu in my car doesn't change anything. I'm getting 12v to the ecu which it get from the coil - negative terminal. So it appears my issue now is the harness, between the ECU and injector connectors Edited September 28, 2017 by SoFlaZ06 Quote Link to comment Share on other sites More sharing options...
NewZed Posted September 26, 2017 Share Posted September 26, 2017 It's easy to get misled on the injector connectors and voltage readings. When all six are connected, if you remove one measure voltage you'll see it on both pins. Because the injectors are on a parallel circuit. If all of the connectors are disconnected you'll only see it one side because the other 5 parallel circuits are broken. So it sounds like your injectors are getting proper power, which shows that the EFI relay is working correctly. The injectors don't get a "signal" the other side of the connector just gets grounded, allowing current to flow, creating a solenoid magnet, and causing the injectors to open. The grounding is done by the transistors in the ECU. The ECU "tracks" when to open the injectors by "counting" the sparks it sees on Pin #1 at the ECU connector. You want to be sure that Pin #1 is connected to the negative post of the coil. That's the signal that the ECU uses. You started the thread with a weird power problem, now you're in to the EFI system. Sometimes when a bunch of weird things are happening you have to go to a firm starting point and just start measuring things until you find a number that's not right. Here's a link to a really good troubleshooting guide for the EFI systems. Find 1978's procedure and start measuring. Get real numbers, and write them down. some thing will show up. The 1980 EFI Manual. It covers all years of EFI up to 1980. Yours in in there. http://www.xenonzcar.com/s130/other.php Quote Link to comment Share on other sites More sharing options...
SoFlaZ06 Posted September 26, 2017 Author Share Posted September 26, 2017 Right, as I dug into the car, I started finding bandaids along the way, as I repaired them, it's no longer apples to apples comparison, and pretty much having to start from scratch. I replaced the ignition, replaced and verified the ignition relay, also found a jumper wire that by passed the fuel pump control relay Quote Link to comment Share on other sites More sharing options...
SoFlaZ06 Posted September 28, 2017 Author Share Posted September 28, 2017 (edited) Now I started testing the harness between the ECU and injector. as I was checking continuity to verify the injectors is connected to the ECU, I found ECU output (pin 32) which goes to cylinder 3 injector, has continuity at Cyl 1,3, and 6 injector connectors. I'm going to open the harness to verify the fail point, since each injector has there own ecu pin, continuity across 3 injectors isn't suppose to happen. Edit: made an error here, I indeed was testing the wrong side of the connector, the injectors are parallel via the drop resistors, hence the read continuity. Edited October 10, 2017 by SoFlaZ06 error in diag Quote Link to comment Share on other sites More sharing options...
ZHoob2004 Posted September 28, 2017 Share Posted September 28, 2017 (edited) Are the injectors currently connected to the harness? If so, you will have continuity between every injector because they all connect to the same 12v line through the dropping resistors. Edited September 28, 2017 by ZHoob2004 Quote Link to comment Share on other sites More sharing options...
SoFlaZ06 Posted September 28, 2017 Author Share Posted September 28, 2017 (edited) On 9/28/2017 at 3:38 PM, ZHoob2004 said: Are the injectors currently connected to the harness? If so, you will have continuity between every injector because they all connect to the same 12v line through the dropping resistors. Edit: I believe I made an error here, and I did check it another 2-3 times, and it didn't show continuity. I you're right, it was coming from the drop resistors Edited October 10, 2017 by SoFlaZ06 Quote Link to comment Share on other sites More sharing options...
SoFlaZ06 Posted October 10, 2017 Author Share Posted October 10, 2017 Round 3? After confirming I'm getting power at both injector connectors, I did the trouble shoot in the FSM, at this point it told me to replace the ecu. my buddy has a 77, I started using his as a test car, I put my ecu in that car. his car ran with my ecu. I put his ecu in my, still no start. So what other input does the ecu need to signal these injectors to open? Another thing, my car has a ZX engine, from what I've seen the AFM and tps is different, some wiring was done there. just wondering where to aim my focus at this point. When I ground the injector connector to the battery, my noid light will light, confirming it needs a ground signal to open the injector. Another plot twist, it will randomly and very rarely run out of the blue while i'm diagnosing. which I hate, because I have no idea why, this time it died after running for like 20 seconds, tried firing it up again, and nothing. but it shows the car is capable when it wants to be Quote Link to comment Share on other sites More sharing options...
ZHoob2004 Posted October 10, 2017 Share Posted October 10, 2017 (edited) You mention the motor is out of a ZX, do you happen to know if your AFM is from the same car, or from your 78? You should be able to tell just by looking at the AFM iirc Edited October 10, 2017 by ZHoob2004 Quote Link to comment Share on other sites More sharing options...
NewZed Posted October 10, 2017 Share Posted October 10, 2017 (edited) 14 hours ago, SoFlaZ06 said: So what other input does the ecu need to signal these injectors to open? When I ground the injector connector to the battery, my noid light will light, confirming it needs a ground signal to open the injector. Another plot twist, it will randomly and very rarely run out of the blue while i'm diagnosing. which I hate, because I have no idea why, this time it died after running for like 20 seconds, tried firing it up again, and nothing. but it shows the car is capable when it wants to be You kind of answered your own question. It's not a "signal" to the injectors, it's just completing the path to ground so that current can flow through the injector bodies. Each time the path is completed, the injector opens. Then the circuit is broken and the injector closes. Electricity is very fast, it all happens in milliseconds. You're not reporting all of the numbers that matter. It looks like you have a fuel pressure gauge on the engine but you didn't say what it is when it won't start and what it is when it will. No offense, but you have to be methodical to make progress with the EFI systems. You can't just look at one thing at a time. Many things have to be right at specific times. You need to know that you have power to certain places, pressure in the fuel system, certain signals going where they should go when they should go there, etc. You should have a check list that you run through, either on paper or in your head. Correct power - check (look at your meter), correct pressure - check (look at your gauge) , spark - check (look at the tachometer, it counts sparks)... Forgot to say, I had a 78 parts car that would not start when the tachometer was out. Somehow it screwed up the circuit to the ECU, since it's on a branch of the line from the coil negative terminal. So there are some odd things that can happen when everything else is right. But you need to know that everything else is right before you get in to that. Edited October 10, 2017 by NewZed Quote Link to comment Share on other sites More sharing options...
spiff Posted October 10, 2017 Share Posted October 10, 2017 (edited) Sounds a lot like some dodgy wiring or earthing somewhere. I had a bluebird 910 with the z20e engine that would just stop sometimes, and then all of a sudden it would start and run fine. Was as simple as a loose connection. Your ecu gets it's trigger signal from the coil negative, it's a batch fire setup so it fires all injectors once every revolution, it also needs a crank signal, this comes from the ignition switch or the wire going to the starter from the ign switch. You need to check that you have continuity between coil negative and the tach input on the ecu, also I would check that you have continuity between ign switch crank signal and the corresponding ecu connector pin. If the ecu doesn't see a crank signal it won't fire the injectors either, the only exception to this is if you bumpstart it. EDIT: Have you listened to the injectors while cranking or connected a test light to one so you know it's not opening? Are your sparkplugs dry? Edited October 10, 2017 by spiff Quote Link to comment Share on other sites More sharing options...
NewZed Posted October 10, 2017 Share Posted October 10, 2017 By "crank" signal, you mean Start, right? Pretty sure that is for Start enrichment and won't stop the engine from starting. He has the FMS and the EFI Guide to show this, and he's already run some tests. He just needs to keep track of what's happening, when it happens. Especially now that he knows it's a sporadic problem. The part about the trigger from the coil negative is right. But that's also covered in both of the books he's been using. Quote Link to comment Share on other sites More sharing options...
SoFlaZ06 Posted October 10, 2017 Author Share Posted October 10, 2017 I'm using a noid light at the injector connector (at #6cyl if it matters), I have fuel pressure, around 32-35psi, I have spark, pulled plugs, they were dry, I put new plugs in anyway. and Pin #1 at ecu, i'm getting 12.8V, which is powered by the coil negative. I swapped coil with the test car, just to confirm it's worked and vise versa, with the plug wire disconnected, I'm getting a nice strong blue spark from it, it also lights up my inline spark plug tester light. the cold start valve is and thermotime has been disconnected, but is has been since I got the car. it's a southern car that live in 80 degree weather. on the relay/resistor side of the injector connector, I'm getting 12v there, which is getting power from the drop resistors, which is getting power from the Fuel injector main relay. on the ecu side I'm 12v also, which I believe it's getting from the #4 pin, powered by the fuel pump control relay. at this point My brain is focusing on why the grounding isn't happening through the pcm. I even tried back feeding grounds directly from battery negative to the ecu pins #35, 17 etc. what other failed instrument can cause this, what am I missing that the ecu needs, since the engine is from a ZX, I found some splicing happening for the AFM and throttle valve switch. But I remember the car would still run when I unplugged TPS before this fiasco, This 70s technology is new to me, not sure how smart or dumb this computer it. just looking for ideas to put my focus. luckily the pcm is only like 24 wires. I'm torn between rewiring, megasquirt or just carb it at this point, my head hurts This is my schematics and my notes. Quote Link to comment Share on other sites More sharing options...
NewZed Posted October 10, 2017 Share Posted October 10, 2017 I would focus on the quality of the signal on the blue wire to Pin #1 at the ECU. I've described my experience with the missing tachometer before and people have said it's not true, there's no rational reason for it, and they've also shown that their engine would start without it. And mine will even start without it now that I've switched to a different ignition module. But when my car was factory stock it would not start if the tachometer was not connected to the branched blue wire circuit. There was something about the balance of those three things on that circuit, the ECU, the tachometer, and the ignition module. I had it happen twice, once with a 78 parts car and twice with my 76 car. I even confirmed it by removing the resistor in the line to the tachometer, on purpose, to see what would happen. It wouldn't start at all, not even a pop. So, is your tachometer intact and does it work would be my next question. You've shown that you have everything else that you need, and the fact that it runs once it starts shows that everything is there. You're in the "bizarre causes" regime now. You might even swap tachometers or plug in another if you can get to the plug. Or swap ignition modules if you have another, even though yours works. I have solved tachometer problems by adding a condenser to the negative terminal circuit. The signal was noisy. and the condenser cleaned it up. Hook up your noid light to the coil negative terminal and see if it behaves normally or shows some weirdness. Quote Link to comment Share on other sites More sharing options...
Recommended Posts
Join the conversation
You can post now and register later. If you have an account, sign in now to post with your account.