SelectSpeedShop Posted April 18, 2019 Share Posted April 18, 2019 Hello everyone, Have been scratching my head for awhile on this one and stumbled upon RB subforum here and figured somebody has to have an answer or a solution to this. The car is a 1977 280Z with an Rb25det in it. I have been trying to figure out how mo make the heater work, blow warm air and at least work on the defroster setting. Currently just blows cold air only from the front vents. Upon looking more into HVAC system and FSM diagrams with all the vacuum line diagrams for the HVAC I am still at no answer if there is a way of making it work without a full factory system. The car unfortunately does not have the vacuum tank or the magnet valves/solenoids or any of that left in it but all the factory lines and valves are still intact inside the car. Main question is if exposing the correct vacuum line to vacuum will trigger the heater valve to open when needed or it will be pretty much impossible to make it work even on one main setting. Upon looking into it and markings on the vacuum lines it seems like the line marked with an "S" is the one that needs to see vacuum in order for the heater valve to operate ( please correct me if I am wrong) If so can it see negative vacuum only or positive as well, when the car is being driven. Or it will potentially need a solenoid with a switched power to make sure it stays at negative pressure for the heat to work. Hopefully someone can give me some insight on this as I am sure some of you guys still running functional heat. Thanks Quote Link to comment Share on other sites More sharing options...
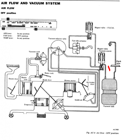
NewZed Posted April 18, 2019 Share Posted April 18, 2019 8 minutes ago, SelectSpeedShop said: The car unfortunately does not have the vacuum tank or the magnet valves/solenoids or any of that left in it but all the factory lines and valves are still intact inside the car. Main question is if exposing the correct vacuum line to vacuum will trigger the heater valve to open when needed or it will be pretty much impossible to make it work even on one main setting. The RB wouldn't have anything to do with the heater functions, compared to the L6. All it does is supply the hot coolant and the vacuum. You need those valves. Not much you can do except put it back like it was, or study the diagrams and make it work. There's no tricks. The AC chapter has the good drawings and descriptions. Some of the controls are mechanical and some are vacuum operated. Quote Link to comment Share on other sites More sharing options...
ZHoob2004 Posted April 18, 2019 Share Posted April 18, 2019 Check the dumb things first, especially in a car with an engine swap. Are the heater hoses even hooked up to the firewall? It's not uncommon to bypass the heater core when swapping engines, especially when these cars have a tendency to leak coolant inside the dash. Many owners simply block them off and run without heat. Quote Link to comment Share on other sites More sharing options...
NewZed Posted April 19, 2019 Share Posted April 19, 2019 zhoob he doesn't have the mechanism to control the coolant flow or the air flow. Both are vacuum controlled. No vacuum, no heat. I had a vacuum hose that used to split on a fairly regular basis. I would know immediately that the hose had split because the heat would stop. No vacuum, no heat. Quote Link to comment Share on other sites More sharing options...
ZHoob2004 Posted April 19, 2019 Share Posted April 19, 2019 Ok I failed a bit at reading comprehension there, but it sounds like the "vacuum cock", as Nissan calls it, is still in place, just the solenoids and vacuum tank are missing. There should be a small vacuum line poking through the firewall near the battery. This is the vacuum source for all the under-dash actuators and should be connected through a check valve to your intake. Inside the car, this connects to the vacuum selector valve which is directly controlled by the air lever. With this connected, you should hear your climate control flaps move when you change the position on the lever, and this may get your heat back by itself. As long as there's a check valve in the line, you shouldn't have too much problem with boost (depending how fast your actuators leak down). If you do have problems you can add a vacuum tank to give you a bit more time on boost before your vents all move. Quote Link to comment Share on other sites More sharing options...
NewZed Posted April 19, 2019 Share Posted April 19, 2019 Connecting direct to S might work. There is an electric connection in the switch that opens and closes that first magnet valve. It's described in the chapter. Not clear what would happen if you still have vacuum when you turn the heat to Off. I can't remember what actuates the first magnet valve. Without a vacuum bottle the valves will open and close with engine vacuum, probably, even with a check valve. Cold feet on the on-ramps. Quote Link to comment Share on other sites More sharing options...
ZHoob2004 Posted April 19, 2019 Share Posted April 19, 2019 I ran my Z for about a year with the above configuration (no solenoids/tank, check valve to manifold) and it held pretty ok, but I didn't have heat (no coolant, leaks in cabin). I didn't really notice the vents moving out of place in low-vacuum conditions, but I didn't have boost to contend with, so there was always some vacuum. I think there's enough volume in the dash system that it takes about 10 seconds or so to leak down. Quote Link to comment Share on other sites More sharing options...
eveham Posted May 14, 2019 Share Posted May 14, 2019 I had the same issue with my RB. I installed a check valve and didn't have cold feet anymore. You could hear the actuators move during the transition into boost. Quote Link to comment Share on other sites More sharing options...
Recommended Posts
Join the conversation
You can post now and register later. If you have an account, sign in now to post with your account.