280zNHChris Posted July 28, 2008 Share Posted July 28, 2008 I've read through the brake upgrade faq. If I use the toyota s12+8(It looks like the vented version) 86-95 on a 72 240z, what are my rotor choices. I don't want to use a spacer. Is it 84 300zx non-turbo or will other size rotors work? Can I use a vented crossdrilled/slotted for a 280zx up front? Thanks Chris Quote Link to comment Share on other sites More sharing options...
280Z Turbo Posted July 28, 2008 Share Posted July 28, 2008 What's wrong with a spacer? I have the S12+8 vented type caliper and '84 300ZX non turbo rotors with a spacer from Modern Motorsports. Quote Link to comment Share on other sites More sharing options...
280zNHChris Posted July 28, 2008 Author Share Posted July 28, 2008 Nothing wrong with them, I just don't want to spend the money if I don't HAVE to. That was more my questrion, is there a rotor I can use that doesn't require a spacer? Is a spacer needed only if the tire doesn't fit over it.? Quote Link to comment Share on other sites More sharing options...
Zmanco Posted July 28, 2008 Share Posted July 28, 2008 With the vented toyota 4x4 calipers and the 300zx rotors the spacer is required so that the rotor lines up properly with the caliper. It doesn't have anything to do with the wheels. I used that combination and don't remember there being any others that didn't involve some level of customization (such as machining the rotors to fit instead) unless you wanted to stay with the stock solid rotors. If you haven't already done so you should read the sticky on brake combinations for S30 cars. It's pretty comprehensive. Quote Link to comment Share on other sites More sharing options...
260DET Posted July 29, 2008 Share Posted July 29, 2008 Ages ago but if the memory is good rotors from 80's model Peugeot four door sedans (404?) don't need spacers, if ~.5mm offset doesn't bother you. Probably no longer available though. Quote Link to comment Share on other sites More sharing options...
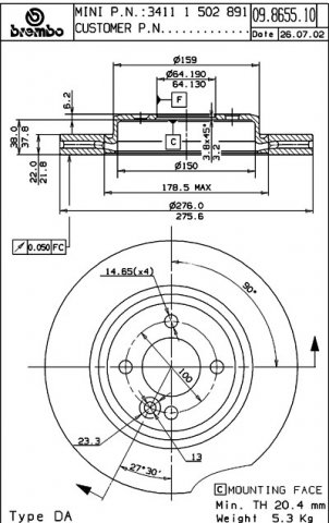
NZeder Posted July 29, 2008 Share Posted July 29, 2008 Go out and get some of the new Mini rotors - these have the following spec 276mm x 22mm with 46mm total hat. So will work with the 280z/260z hub. Not a bolt on as the rotor needs to be redrilled and the centre hole machined out. here are the Brembo specs of the 260z/280z rotor, then the 300zx non turbo rotor and the mini rotor I have also included the Peugeot 504 rotor specs in the attachments too - these are not as easy to come by here in NZ which is why I say got the Mini path = newer car so more chance of getting them from a number of suppliers. But the Peugeot is a good fit. Another option is the Madza Rx7 rear rotor and a 240z hub as the specs of the rear rotor are 274mm x 20mm with a hat of 53mm. This is close to the 240z at 52mm. Again a redrill and centre hole change. And I am sure if I keep looking at the brembo catalogue I will find more. Hope this helps. Quote Link to comment Share on other sites More sharing options...
Recommended Posts
Join the conversation
You can post now and register later. If you have an account, sign in now to post with your account.