Flexicoker Posted October 22, 2009 Share Posted October 22, 2009 Awesome! glad to hear you got if figured out. It sure is a relief isn't it? Quote Link to comment Share on other sites More sharing options...
FlatBlack Posted October 22, 2009 Author Share Posted October 22, 2009 You have no idea. [Resets are STRESSFUL] Beat my roommate's 5.0 old edge SN95 by 5 lengths from a dig [with a pessimistic Camaro owner as a witness] Blew off an IC piping coupler when we went from a roll and she beat me by a bumper. I had 0 vac on my gauge, she took the cheap win but I'm not worried about her anymore Quote Link to comment Share on other sites More sharing options...
bradyzq Posted October 23, 2009 Share Posted October 23, 2009 Beans of coolness! Glad to hear it's been resolved. Now you can get on with the tuning! Quote Link to comment Share on other sites More sharing options...
FlatBlack Posted October 23, 2009 Author Share Posted October 23, 2009 Yeah I can't wait - My new WBO2 sensor comes in today and we'll see if that fixes the problem. I found a STUPID cheap OEM replacement LSU-4 sensor that'll plug right into the LC-1 Controller, I'll tell you guys where to find it and how much it is when I find out if it works or not. Quote Link to comment Share on other sites More sharing options...
FlatBlack Posted February 13, 2010 Author Share Posted February 13, 2010 I have my new 390cc VR4 [iNP-008] injectors at the house, just waiting on my new rail to get here. I'm getting some funky weirdness with my L28ET injectors though. My Duty Cycle is pegging the gauge, I'm getting a massive fuel cut/fuel overload at high loads, High RPM. I am on 7 psi and the 280cc injectors should be fine for what I'm running. My IAT sensor is not reading anymore, I'm not sure how long that's been messed up. Could be the reason for my high DC/cutting out at higher loads. Quick question, I popped open my ECU to look at it, and the R37 resistor wasn't secured to the heat sink. Anyone think this could be an issue? My flyback circuit might be going out, I'm not sure. I am probably going to try the dropping resistors if I'm still having issues with the new injectors. Quote Link to comment Share on other sites More sharing options...
FlatBlack Posted February 14, 2010 Author Share Posted February 14, 2010 Went to Autozone, picked up a new IAT sensor, plugged it in and no change. Clipped the wires, wired the sensor directly into the relay board, and nothing. Then, soon after I had done that, I unplugged my CLT sensor to look at it, plugged it back in and now I have no CLT reading. So, obviously, my car will not start. After getting a new O2 sensor and new LC1 controller, MegaSquirt is not reading O2 either. [Not related to today though, that's been going on for several months] I'm thinking my relay board [bought new, assembled from DIYAT a few months ago] could be to blame?? I don't know what else would be wrong. I would love to hear back from some of you, I guess I'll email DIY on Monday and ask them what they think. I just wish I had someone local that had a relay board I could check mine with. Quote Link to comment Share on other sites More sharing options...
TrumpetRhapsody Posted February 14, 2010 Share Posted February 14, 2010 Check the pinout of the DB37 connector for the IAT feed and measure the resistance between it and the connection where you wire in the IAT sensor. Easy way to eliminate the relay board for that issue. Quote Link to comment Share on other sites More sharing options...
Markkonschak Posted February 14, 2010 Share Posted February 14, 2010 you might want to try recalibrating the heater. My LC-1 was tripping out and after i recalibrate the heater it worked perfect. It was actually getting to hot. Also you might be better off closer to the engine. the closer the 02 is to the manifold the faster it respond. It uses the engine heat to burn clean. Also if you are using a VR sensor you might want to try adjusting your resister pots. (R52,R56) You can also supply new power to Q9, Q12 this will make your voltage much more steady. I am going to install a capacitor on my power to make it super clean. Anyways i hope this helps. Quote Link to comment Share on other sites More sharing options...
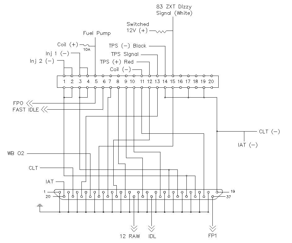
FlatBlack Posted February 18, 2010 Author Share Posted February 18, 2010 Okay, so I made a secondary harness last night, I'm surprised it worked [i am a wiring newb] I ran everything back through the relay board except the WB02 CLT and IAT, split pin 19 off for the grounds on the sensors. I modified my ACAD file to show it: I now have CLT IAT showing up in MegaTune again, as well as tach signal. I tried to crank it and now I don't have spark. PW and DC is registering, I can hear the injectors clicking. I pulled the coil wire off and it is not sparking. Put a multimeter on the FP circuit [where the (+) Coil wire taps into] and got 12 Volts. The Coil (-) goes into the ECu and not through a relay, I guess I'll try and bypass that wire as well tonight. I emailed DIYAT about getting a new relay board, but I'm waiting on a reply. Quote Link to comment Share on other sites More sharing options...
Recommended Posts
Join the conversation
You can post now and register later. If you have an account, sign in now to post with your account.