-
Posts
94 -
Joined
-
Last visited
Content Type
Profiles
Forums
Blogs
Events
Gallery
Downloads
Store
Everything posted by Blobber
-
But I checked from 81 280zx diagram and it's not suppose to be empty. Neither should 80 or 82.
-
Can anyone tell me why in my 280zx harness pin 20 is empty? It should be complete harness, but when I checked I'm missing pin 20. I know it's not needed in this swap, but I just wanted to check the pin, because it was mentioned in the beginning of the topic.
-
Well that it will make a difference, but I meant that it doesn't directly prevent ecu from working. If I'm able get the coversion running with this alternator it helps me alot coz I have been struggling with my conversion. But you are right that the alternator swap would be better with this swap.
-
Ctc & Cgsheen, thanks for your answer. Reason I started asking about the alternator, is that I couldn't figure out why should i change stock alternator, because to my acknowledge it doesn't have any effect to ecu's behaviour.
-
So externally regulated alternator doesn't work in this swap?
-
Thank you for your answers and for cgsheen for clarifying those few details. I have read the faq entirely, but I haven't noticed any mention about the altenator wiring. Is there possibility to eliminate 260z voltage regulator and use it in the swap?
-
If I want to connect 82-83 280zx harness to my early 74 260z, do I just follow this picture I got from the swap FAQ? Simple question, but so should have the swap been, but it hasn't been.
-
Please send your PM's again, because I haven't received any. I'm still interested about buying this stuff.
-
I'm looking for working S130 to ecu z31 conversion. I need the whole package. If somebody is willing to sell me his working conversion, I'am very interested. Please contact me make114@gmail.com
-
Is it attached to distributor frame or is it inside the distributor?
-
Condensor is mentioned in this picture. Is that part separate from the coil bracket/ignitor?
-
Thank you for the answers. Wires in the second picture are the ends of the wires, which go to the coil bracket plug in the first picture. And the blue wire with the coil+tacho label is the one, which is the upper blue wire in first picture(not the one, which goes to ignitor) What comes to the efi relay/fuel pump relay comment. Am I correct, but isn't this the EFI relay?
-
I started making the l28et swap with z31 ecu conversion almost two years ago and it's still going on. I have tried using z31 harness and z31 ecu to make the engine run, but I never couldn't figure it out and I finally decided to start all over. Now I have 82 or 83 280zx turbo wiring harness, 280zx coil bracket, ignition harness, head temp sensor, TPS and turbo dizzy. Now I ask your help so I can finally complete this swap. First question is that do I have everything I need on the coil bracket? I attached a picture to show what I have. second questions is that my ignition harness is cut and it's missing fuel pump relay. Who I connect the fuel pump relay to this wiring? Third question is that I'm missing the resistor for the swap. Can replace the resistor by making some kind of DIY resistor? Also I would like to know if I'm missing some vital part from the swap? I know that these questions might have been asked before, but have mercy on me and if you don't want to write answer again, could you at least give me a link to the answer?
-
A quick FI and ignition 280zxt to S30 turbo swap guide
Blobber replied to bumble zee's topic in Turbo/Supercharger
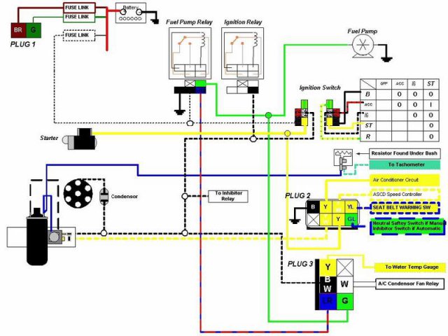
Is this the plug 2 in jon's wiring diagram? I'm not sure because the colors are starting from the left in the top row black, yellow/white, yellow, green/blue and bottom row is green, yellow, yellow/white and black. None of the pin places are empty. And I have checked that I don't exactly same kind of plug in my wiring harness. -
S30 dashboard conversion - pics please!
Blobber replied to ComicArtist's topic in S30 Series - 240z, 260z, 280z
Is there any other OEM dashboards attached to z-cars? I have seen the s13 and aluminium dashboards, but nothing else. -
I want to buy L28ET wiring harness and ECU. Send offers to my e-mail make114 at gmail.com or send me a private message.
-
I have tried with ca18 tps and z31 tps, and still no change. I bought a another z31 ecu. Attached it and same thing. No spark and no voltage to injectors. Ecu lights up, when I put the key ON-position, but LED's turn off when I start. Is this ok? These are connection I have made: 3 / pwr.transistor b/w wire 5 / pwr.transistor blue wire 9 / ignition position, which is actived only when starting 16 / fuse-> ignition key position, which is actived when key is in ON-position and START-position 20 / fuel pump relay(coil side)->ignition key position, which is actived only when starting 34 / Coil + and fuse->ignition key position, which is actived when key is in ON-position and START-position 108/ fuel pump->fuse->which is actived when key is in ON-position and START-position and Fuel pump relay->earth Also two fusible links I have changed to fuses and the fuses are ok. Today I checked the wires from injectors to ecu and to the battery. They are ok. Also I flipped the chopper wheel upside to make sure that isn't the problem. Any hints?
-
I'm looking for z31 300zx ecu for for a ecu swap. I need just the box. I'm especially looking for 84-85 ecu, but you can offer ecu's from any other year. Send me a PM or mail to make114 @ gmail.com
-
Sorry, I read poorly. you have 88' harness. I'm not sure about what are pins in 88'.
-
How did you do the distributor work? Can you tell me the pins which you connected? The pins which turns on the ecu is pin 65. fpr coil side(the terminals, which active the relay) is connected betweeen pin 20 and switched 12v.
-
Guys, I have a problem and I'm out of ideas. I attached coil and power transistor to the ecu(ecu is from 86 300zx). I also removed the old wires coming to the coil. This how I attached the coil and power transistor to ECU: - coil + terminal to pin 34 and 12v source from the ignition switch. - coil - terminal goes to pin 3 and B/W wire in power transistor. - Blue wire from the power transistor goes to pin 5. - black wire from power transistor goes to the body. Is this right or wrong? I have also tried to change b/w wire and blue with each other without any luck. ECU is showing three malfunctioning codes: 23(throttle position switch), 24(neutral/park switch) and 31(A/C?). Correct me if I'm wrong, but I think that these codes shouldn't prevent the engine start? CAS is inside the distributor. I also don't have injector pulse. I have checked the connections twice. I also checked voltages from pins 34, 5 and 3, and I found out that pin 5 is only millivolts. I think that I'm missing a 12v feed, but I' not sure which one. Is anybody able to tell me which pins need to have 12v feed. I have been told that there should be four.
-
Well, I think that the winner is coming from group that includes Spain, Argentina, Germany, England and Portugal. Germany has lost some key players and it will be challenger in this group. Favorite is propably Spain. Teams like cameroon, ivory coast and netherlands can't be a suprise, but propably can make it all way through.
-
Next problem. Now I don't get any spark. I attached coil and power transistor to the ecu(ecu is from 86 300zx). I also removed the old wires coming to the coil. Could I this be the problem? This how I attached the coil and power transistor to ECU: - coil + terminal to pin 34 and 12v source from the ignition switch. - coil - terminal goes to pin 3 and B/W wire in power transistor. - Blue wire from the power transistor goes to pin 5. - black wire from power transistor goes to the body. Is this right or wrong? I have also tried to change b/w wire and blue with each other without any luck. ECU is showing three malfunctioning codes: 23(throttel position switch), 24(neutral/park switch) and 31(A/C?). Correct me if I'm wrong, but I think that these codes shouldn't prevent the engine start?
-
Problem solved. I finally found out that I had missed one 12v connection to ECU. That goes to pin 34.