
sstallings
Members-
Posts
84 -
Joined
-
Last visited
Content Type
Profiles
Forums
Blogs
Events
Gallery
Downloads
Store
Everything posted by sstallings
-
Okay, It's been months since I posted on this forum, but I'm still trying to find a fuel pressure issue. I have replaced everything. And by that I mean all fuel line, return line, fuel pressure regulator, fuel filter, in-tank Aeromotive Phanton Stealth fuel pump, ECM, relays, and on and on. I still have to wait about 30 seconds for the pump to get the fuel rails up to 40 PSI, then I can start it, and it will run between 30 seconds to 5 minutes before stalling due to no fuel pressure. After start-up, pressure immediately drops to about 20 psi, and continues to drop each time I blip the throttle. The warmer the engine is, the faster this all happens. Each time the fuel pressure drops drastically, I hear a rapid chattering from under the hood. I've isolated that to the fuel injectors, at least 5 of them. All of them on the driver's side, and at least one or maybe two on the passenger side. These are a matched set of (rebuilt) injectors I bought from Rock Auto last year when I noticed that my original injectors were not all the same (the engine had just under 100K miles on it when I bought the 1990 Firebird it was in. But it ran fine.) Now I'm concerned that these rebuilt injectors may be shorting out, which is causing the chattering and loss of fuel pressure. My fuel pump gets a constant 12.6 Volts on cranking and 13.6 to 14.0 volts in run. Has anybody had any experience with this issue? Thanks. Steve Specs: 1990 5.7L TPI with MAP and all stock emission parts in 1877 280Z, JTR conversion, WC T-5 manual trans, and suspension/brake upgrades.
- 6 replies
-
- fuel
- electrical
-
(and 1 more)
Tagged with:
-
If you can provide the target max. torque rating for the new LSD compared to Quaiffe and OBX so I know what I'm getting for approx. $700 is going to buy, and what other changes/parts will be required to use it, I may be interested in two of them. Both my V8 240Z and V8 280Z are R200s, and both see mostly street use and limited open track days, but getting out of a corner harder/sooner has been always been a priority. Thanks.
-
I'm new and would like some help with I.D.
sstallings replied to I just don't know's topic in Gen I & II Chevy V8 Tech Board
The good news for you is that the 350 SBC and TH400 combo has very little GM wiring, so most of what you'll find will be Datsun wiring. As stated, get the JTR book, it is invaluable. As are the Datsun wiring diagrams. I bought the Helms Repair manual for my 280Z (about $100) which also invaluable for identifying wiring and specific circuits. There may be cheaper options for you as well from Haynes or online sources. The previous post about the white wires with red stripes being from the fusible links is also correct, and essential for the rest of the vehicle's wiring. They are pretty easy to recreate once you have the wiring diagram, and you can replace the fusible links with large inline fuses which will be easier to maintain over time. Some of the disconnected wiring (under dash and engine compartment) will not be essential since the SBC bypasses most of the wires in the ignition module and voltage regulator. The JTR manual will tell you which wires are needed, and where to connect them. Take it slow and go system by system. Ask very specific questions and provide as much detail as you have, and you'll find a lot of help on this forum. I find that if I ask too many questions at once, I don't get as many replies. But if I break my questions up into separate posts, I get really good advice. Also search as many topics/search terms as you can before you post since there are thousands of threads here with many questions already asked and answered. Good luck. -
Guys, Thanks for all the great information. Here's an update. I did replace the existing 5/16 fuel line with a new 3/8 line when I did the original swap, so its all new from the pump to the fuel rails. I'm using the original 5/16 line as a return to the tank after the regulator. Also, before I installed the engine, I did replace the original injectors with new stock parts so their flow rates would be matched. I checked and cleaned my Summit inline 10 micron after-pump filter, which wasn't very dirty, so I'm getting fuel to the rails. I did go to the extra work to replace the fuel pressure regulator last weekend in case the old one was sticking or worn out. While I had the main plenum off I checked all the hidden vacuum lines and electrical connections. They all looked okay. And I used new gaskets to put it back together. I have a 1/4 tank of fresh 91 octane gas (best I can get here) that is less than 30 days old, and after a couple of weekends of rain, I started it again last Sunday. It runs better, but not yet well. I can blip the throttle occasionally and it will recover and idle. But I can't stay on the throttle at 2500 RPM for 5 second yet without it stumbling every time, and dying half the time. So I'm closer, but not finished. I also realized a couple weeks ago that I have to leave the gas cap off or it builds a lot of pressure in the fuel tank. That's not safe. I don't recall if the '90 Firebird had a sealed or vented gas cap, but I need to find out because it ran fine. But that also means I need to check the return line and the carbon canister line, which I haven't done yet. I'll also check the voltage at the relay to make sure its not dropping. And I'll replace the original Datsun ground at the pump to the chassis just because its easy and good insurance. With your help, I'll get there. Can't wait to drive it I'll post more results soon. Thanks. Steve
- 6 replies
-
- fuel
- electrical
-
(and 1 more)
Tagged with:
-
Guys, I'm still trying to get to my first drive after a long build. Last week I had an electrical issue that a few of you posted replies, and "rsicard" identified the issue. Thanks to everyone. So now electrical issues are behind me, I think. And I'm having a fuel delivery issue. The stock '77 280Z fuel pump is supposed to be good enough for TPI according to the JTR EFI book, but if I read between the lines I think it is marginal. No matter, my stock pump developed a slight leak between the halves of the fuel pump body, so a few weeks ago, I replaced it with a new 280Z pump "Airtex E8312" from Autozone. After getting the timing close (more work to do there later) it idles smoothly and pressure (measured at the shrader valve) stays between 35-40 PSI at idle. But as soon as I tip in the throttle, the pressure starts dropping until it dies at or below 25 PSI. Even if I try to go back to idle, once the pressure starts dropping, it can't seem to recover. No matter how careful I am, and I'm talking about barely 2000-2200 RPM, I seem to get fuel starvation. I talked to the parts house, and the Airtex E3210 is the replacement 5.7L Camaro pump, which is rated at the same max. pressure, 5 PSI less minimum pressure, but about 40% more flow rate. Flow rate sounds like my problem. However, the E3210 is an in-tank pump that won't physically mount like the external Datsun pump without modifications. I'd like to avoid all the mods to go in-tank if its possible. I didn't find anything in the FAQs, so what have you guys found as the best/right pump for this combination? Thanks, Steve And for those of you that keep requesting pictures, I will be posting them soon for anyone interested in this combination, my suspension mods, my Vintage Air AC install, or anything else of interest.
- 6 replies
-
- fuel
- electrical
-
(and 1 more)
Tagged with:
-
Guys, Thanks for the reply posts. Rsicard, you nailed it. One of the two 10 gauge orange wires was not tied into the master fuse and red BAT wire. So that was a huge help. It now starts and idles for up to a minute before dying. I connected a fuel pressure gage to the shrader valve on the passenger fuel rail and I'm barely getting 38-40 PSI with the ignition ON before starting. I have a brand new 60 PSI pump to replace the Datsun 46 PSI pump that had a slight leak at the casing halves. I replaced the 16 ga. Datsun fuel pump wires with 12 ga. to match the gray wire coming from the fuel pump relay. But, at any point before or after starting, I get a chattering (rapid clicking) from somewhere near the passenger fuel rail, and fuel pressure drops to anywhere between 20-35 PSI. If it's running at that time, it dies. Even before that happens, if I blip the throttle, pressure drops quickly, and it may die before it recovers. I'm assuming now I have a bad injector or fuel pressure regulator. Does that sound right? It's amazing how much can go bad on a good running engine when you let it sit for a couple of years. Thanks. Steve
-
RSicard, You asked a couple of additional questions that I didn't answer. Yes I have at least 12.7 volts. If it falls below that, I hook up my Optima smart charger to my Optima Red Top battery and top it off before continuing. But, I moved the battery back to the cowl temporarily because I was getting barely 12.0 volts with it mounted behind the passenger seat. I may have to get better quality cables in order to put it back there permanently. And no, the fuel pump is not running for a couple of seconds before starting. That is one thing that is driving me nuts. The other is that sometimes it will crank over, and sometimes it will not. When it doesn't, I typically get SES trouble codes, but after the 12 codes, it seems to be it seems to be gibberish that I can't interpret. I've run through several pages of the GM manual troubleshooting an confirmed that I do have ECM grounds on the right circuits 340 & 439, and that 419 is not shorted to ground. And I do get a constant SES with the ignition on, before starting. But something is still keeping me baffled. Thanks again. Steve
-
Rsicard, Those are all good questions that I should have covered. The 5.7L L98 TPI is from a 1990 Camaro using the 8-injector manifold, wiring and ECM with MAP air density calculation. The ECM part number is 01227730 with a standard calibration ePROM. It is not the older 9th start injector type with MAF air metering on 88-89 models. This engine, wiring and ECM were first swapped into a 1990 5.0L L03 TBI Firebird with a manual T-5 transmission to make sure everything worked well together (since GM never offered the 5.7L and T-5, but I wanted the manual in my Z). Then the entire engine, trans, wiring and ECM were placed in the Datsun 280Z. I used everything but the fuel pump from the Pontiac, as a 1977 280Z already has an EFI pump capable of 46 psi. I also used the entire JTR kit including radiator, and used a Ford Taurus dual-speed cooling fan and custom shroud. Since I have to pass CA smog laws, nothing is bypassed or deleted. It has full EGR, A.I.R., Dual Catalytic Converters, VATS/PASS, VSS, etc. all hooked up and functional. Headers are ceramic coated Sanderson shorties, with full ceramic coated 2" exhaust to the Cats, and single 2.5" exhaust to the muffler in the stock location. The Oxygen sensor bung was welded into the driver-side collector. Edelbrock EGR/A.I.R. tubes were welded into the headers as well, before ceramic coating. About the only thing I didn't re-use was the power steering -- no need. I don't think I missed anything relevant this time around, but please ask more questions if I have. Thanks. Steve
-
Guys, I haven't been active on this forum for over a year because I've been out in the garage building. My 1977 280Z conversion to a 5.7L (350 cid) TPI V8 with World Class T5 is now complete, sort of... After weeks of startup attempts and reading SES codes I'm not much closer to firing it up. I did find a bad fuel pump relay and replaced that. I temporarily relocated my battery from the cargo area back to the front to shorten the cables, just in case. I verified 46 psi of fuel pressure at the rails, and spark at the plugs. I've tried to start it so many times now I'm getting concerned about re-priming the oil pump. I've been very careful over the two year build using the Helms and GM factory manuals as well as JTR Z V8 and TPI/TBI manuals. My wiring connections were done well. I've added temp-switch controlled electric cooling, Vintage Air AC, upgraded the suspension and brakes, and replaced the fuel and return lines with 3/8" steel tubing and AN-8 fittings. Both cars ran when I started this project. I think it is time to enlist the expertise of a professional auto electrician to figure out what I have missed, or what I may have wired wrong. I kept detailed notes and made new wiring diagrams for everything I changed or added. I kept the VATS, Resistor key, VSS, and all sensors. I've been back over all of those looking for any mistakes and don't see any. But electrical work is not my area of expertise. Can anyone recommend an electrical expert in So. Calif. (I'm willing to trailer the car) who really knows, and is willing to work on a Z conversion? For those of you with years of experience, I know the 5.7L never came with the T5, so I swapped out the 5.0 for a 5.7 in the original car to sort everything out before starting the Z swap. I even had to have it smogged that way before the swap due to bad timing (it passed). The WC T5 is for insurance against excessive torque, but I did not use/test it before starting the swap. It has no impact on my current problems. I also welcome informed input from members of this forum who has successfully done what I'm attempting to do. Any help is appreciated. Thanks, Steve
-
if yor going to still offer the RTz mount, I am interested in 2 of them! please let me know if your still doing these I live in Ca. near victorville. call me at 760 220 6145
-
I don't mean to hijack this thread, but I have a related question. I read somewhere on this forum that I can use the stock '77 280Z EFI pump for my '90 TPI 5.7L, but that the 5/16" line might cause WOT fuel starvation problems. I've just re-plumbed my chassis from the pump to the fuel rails with 3/8" line & AN-6 fittings using a 5/16" to 3/8" adapter at the pump's outlet flex line. I plan to leave the 5/16" return in place since that is what GM used. The fuel pressure will be controlled by the stock GM regulator. Since I've got the engine back out temporarily to secure all the new plumbing, is there anything else I should do while I'm at this? Combo: '77 280Z, '90 TPI 5.7L, WC T-5 AC has been upgraded to Vintage Air; wiring is finally done; suspension mods and brake upgrades are still on the to-do list. Thanks, Steve
-
I'm wrapping up my TPI swap next month (I hope). The harness from my 1990 F-body is plenty long to mount the computer on the passenger side in, or under the glove box, as has already been suggested. My Z is a '77 280 and I yanked out the factory AC and replaced it with a Vintage Air Universal Super Cooler with heat and defrost. That unit is so much smaller than the Datsun stuff (and uses R-134 instead of CFC-12) that I had 3 inches behind it to mount an aluminum panel on the firewall to hang the Computer, PASS, additional fuse box, and connectors. My harness comes through the firewall low on the passenger side under the corner of the battery tray with the extra length on the inside. That does two things: 1. It keeps the engine compartment a bit neater without having to shorten the harness; and 2. It gives me enough slack on the inside to remove my aluminum panel at the bottom edge where the screws are accessible and slide everything that is GM electrical out onto the passenger side floor for access if I ever need to get to it again. Most guys I've talked to cut a 2 inch round hole in the firewall for the harness, but I chose to cut a rectangular hole the same size as the one on the F-body so I could reuse the original bulkhead grommet. A carbed 350 would have been a lot less work, but I'm looking forward to running the TPI. My combination is a near-stock '90 350ci TPI/MAP, WC T-5, and because I'm in California, I'm running Sanderson Block huggers with EGR tubes, twin catalytic converters, and 2 1/2 inch double ceramic coated exhaust. The plan is for the ceramic coated exhaust to keep the exhaust heat in the pipes to light off the cats as well as to keep the under-hood temps in check. I also have double heat shields between the cats and the trans tunnel to keep the carpet from getting too hot. We'll see if it all works as planned in a few weeks.
-
HELP!!! Need taller gears sbc350turbo350 76z
sstallings replied to turbonissanzx's topic in Gen I & II Chevy V8 Tech Board
Guys, I've done the 700-R4, 200-4R, and the Gear Vendor's OD behind a TH400. Both of the OD transmissions can be built by the aftermarket to handle higher HP & torque, but they are both limited in stock form, and they aren't cheap when built right. The TH400 plus the Gear Vendor's OD is an indestructible combination, but the GV adds 13 inches to the tranmission and replaces the tail shaft, so it's about 8" longer overall. With the extra length, fitting it a Z would be very tight (I haven't done that). My TH400 will easily handle 800 HP and the GV OD is rated at 1100 HP out-of-the-box. The GV OD costs about $2100 and a rebuilt TH400 is about $500. In my opinion, the peace of mind is worth it over the 700-R4 or 200-4R "IF" it fits in a Z. BTW they also make a GV OD that bolts up to the TH350 for about $2200 if your TH350 is still in good shape. If you want the convenience and strength of an automatic that retains some of the fun of a manual without the clutch, it can't be beat. It has an auto-mode which only engages the GV after the first three shifts on the TH400, and a manual mode that lets you shift through six speeds: 1st, 1st-OD, 2nd, 2nd-OD, Drive, & OD as if you have a close ratio manual box. Mine has a .68 OD gear, but I think they offer others. Just some food for thought to give you a few options to consider. Steve -
Guys, I recently made a Ron Tyler Diff mount for my 280Z project. In the process, a buddy of mine acquired a waterjet for cutting steel plate brackets and let me program the parts for the mount. Now that I know mine fits the chassis (I made a jig so that mine 1/16" narrower than the published drawings, based on a recommendation I found on this forum) I can offer pre-cut plate stock for you to weld up on your own, or I can offer fully TIG welded mounts to anyone who wants them. Of course if Ron Tyler objects, I'll back off, but as long as this is a public domain design, I'm happy to knock them out. I haven't considered pricing yet, but my objective isn't to make a huge profit anyway, and this is a spare time effort, so if anyone is interested, let me know and we'll work out the details at that point. Thanks, Steve P.S. My 280Z 350TPI-T5 is progressing slowly toward completion. I hope to be test driving it this summer before blowing it apart for paint and upholstery.
-
Wiring questions?? '77 280Z to '90 TPI & T-5
sstallings replied to sstallings's topic in Gen I & II Chevy V8 Tech Board
Deja, Took me a minute to roll out my '77 280Z wiring diagram that I had enlarged at Kinkos to 4 feet by about 9 feet, but I can confirm your colors for the high and low beam (dimmer) headlights. However, my diagram shows the blinker/parking lights as GW common, B ground, and GR left and GB right. I hope that helps. Steve -
280Z Ignition Switch to 5.7L TPI wiring
sstallings replied to sstallings's topic in Gen I & II Chevy V8 Tech Board
Deja, Thanks for the quick reply. It looks like I'm reading the GM information incorrectly, so I'll go back and sort that out. Thanks for the clarification on the two BW wires. I interpreted the JTR instructions in such a way that the unsleeved wire was only used on 240Z tachometers. Since I have the 280Z tach, I assumed I didn't need that wire. Unfortunately the JTR manual is specific for carberated V8 swaps, so a bit of interpretation is required to apply it to a TPI swap. But I have the JTR TPI/TBI manual as well, and I'm trying to make sense of the details in both. I'll get there eventually. Thanks again, Steve -
That is an awesome finish. A mile deep and arrow straight. But it's way too pretty to race that way. Guess you'll have to build two of 'em.
-
Hey Grumpyvette, You are the acknowledged expert on most of these engine questions, and your cam information is excellent. One other valvetrain clearance area I would recommend that guys check is the connecting rod to cam lobe. There are a lot of guys running stroker SBCs on this forum, and if their existing cam was a reduced base circle cam they may have had adequate clearance before the swap, but if the new cam is a standard base circle, they may run into aclearance issue. Just one more check to make before buttoning up the swap. You can probably add the minimum cold clearance range, since I don't have that information handy. Thanks for sharing your knowledge on these topics. Steve
-
Strotter, Deja, or anyone else who can help. I think I've got most of the wiring for my '77 280Z to '90 TPI figured out at this point. BUT, I've been trying to determine if the BW (Black-White) wire for the Tachometer that JTR refers to in the Datsun Z - V8 Conversion Manual on pages 9-3 and 9-5 is the one that runs to the pos. (+) side of the Ignition Coil Resistor in the 280Z wiring schematic. I think it is, but I'm not sure. HOWEVER, while researching this little detail, I noticed that every picture of a subsystem in the Diamond Pubs Z Repair Manual (see attached: ignotion003.jpg) shows the ingnition switch in line with the positive battery cable, providing voltage to some component or relay, putting it on the positive side of the circuit. And ther are only 5 wires going to the ignition switch, none of them B (Black) ground wires. Back in the Helms GM Manual every circuit shows Pos. (+) power going from the battery or junction box to a component or circuit and for those that are only on with ignition, the ingition switch completes the cicuit by providing the path to ground (-) putting it on the negative side of the circuit. So I have to ask myself (???) how is this Datsun ignition swith going to work with my GM engine wiring? What am I missing? It will obviously be fine for lights, instruments, etc., but it seems backwards for the engine harness.
-
Wiring questions?? '77 280Z to '90 TPI & T-5
sstallings replied to sstallings's topic in Gen I & II Chevy V8 Tech Board
strotter, Thanks for the clarification. In my '90 Firebird manual, they spread this information over two pages (talk about not being straight forward) but based on your chart from 6E3-A-6 above, I was able to find mine spread across 6E3-C-12-2 where they start to cover the dual fan relay circuit, and 6E3-C-12-4 where they cover the AC high pressure switch operation in part only. It would have been much harder to find any of this without your post. It looks like I can use the same circuit design that GM uses for two fans to control the Ford two-speed fan via the ECM simply by adding the two relays in Deja's circuit as one 70 amp NC and one 70 amp NO to handle the switched on/off/on of high and low settings. On my ECM it looks like pins GE8 and BD12, but not BC9 as on yours (It looks like my AC Request Signal is ECM pin B8, but if I'm not using the factory AC, I'm not sure how that helps me). Once I get the Vintage Air trinary switch installed I can add another relay for the AC pressure (probably a 30 amp NO) since it simply triggers the 70 amp relay and doesn't interface directly with the fan, based on Deja's circuit as well. Thanks again, Steve -
There are other benefits as well. I recently took my wife's three year old Toyota Highlander to the dealer for a rough idle problem, but I read the factory manual first. When they told me they were going to charge me $570 to rebuild the IAC, I asked the service rep what the codes were. I guess no one ever asks them that, because they had to go find out. While he was gone, I checked the manual and found out that the IAC on the Toyota 3.0L is not rebuildable (so they were probably going to spray some carb cleaner in it and charge me over 5 bills). When they told me the codes, I asked them how they rebuild IACs, and the service guy turned me over to the service manager who made up a story about dis-assembly, re-tensioning the spring and cleaning/servicing the unit. So I asked him to show me the spring tensioner (which pissed him off since there is no such tool in his shop), then explained to him that the IAC is a press fit so it can't be disassembled, and its not rebuildable according to the manual. I then took my wife's car to a real mechanic who charged me about $350 for a full replacement IAC, and I wrote a letter to Toyota about their dealer. They called me, asked for a copy of my receipt, and sent me a check to cover 100% of my costs and assured me they would handle their dealer issue. So even if you don't do all the work on all your cars yourself, you can save money simply with a bit of research and knowledge. Dealers count on the fact that most people don't understand EFI and are willing to accept any crap they tell them, and pay dearly for that advice. Never stop learning. Steve
-
Wiring questions?? '77 280Z to '90 TPI & T-5
sstallings replied to sstallings's topic in Gen I & II Chevy V8 Tech Board
strotter, Thanks for the explanation. That clears up al ot of confusion. So, if I'm following your explanation accurately, I can use 532 and 533 to trigger deja's comination of added NO and NC relays (I'll figure out which is which when I draw it myself) and wire my Vintage Air trinary pressure switch into the BC9 circuit, I should be emulating the factory wiring intent for a Taurus single two-speed fan where they used two single-speed fans. That seems pretty straight forward. Note: I found the equivalent information on pages 6E3-C12-2 for the cooling circuit and 6E3-C12-4 for the AC pressure cicuit in my '90 manual. (Talk about a circumspect way of showing this whole process - but I wouldn't have found it at all without yor diagram - so I'm learning more with every step.) Also, thanks for the explanation of the high and low states for the ECM pins. That will also clear up a lot of confusion. I may get through this build yet. Thanks again, Steve -
Wiring questions?? '77 280Z to '90 TPI & T-5
sstallings replied to sstallings's topic in Gen I & II Chevy V8 Tech Board
strotter, You probably can clear up a misunderstanding I have about the ECM circuit above. It states that I should use A10 and A11 to trigger my cooling relay circuit. But, the CTS is wired to C10 and A11 (in the 5.0L TBI section) or GE16 and BB6 (in the 5.7L TPI section - which aren't even ECM connector pins) in the Helms GM manual. A10 seems to only be related to the VSS sensor, so I'm confused as to what A10 does in this case, or even what it is. Or am I confusing ECM connector pin-outs with some other terminology that I should be looking at in the manual? Also, the termiology suggests that htese pins go from low to high, or high to low, depending on engine conditions/sensors, but they don't act like switches which are opened or closed, so how can they activate relays? The more I understand this terminology, the more I can do on my own, but I have to admit that this is nothing like simply plugging in the Accel DFI harness on my street rod, and spending all my time tuning data maps. I guess the lack of EGR, electric fans, A.I.R., VSS, etc. really simplified that process, but didn't do as much to prepare me for this one as I thought it would. Thanks, Steve -
Wiring questions?? '77 280Z to '90 TPI & T-5
sstallings replied to sstallings's topic in Gen I & II Chevy V8 Tech Board
Hijacked? Are you kidding, this is great. I obviously have a 7730 ECM in my '90 TPI, but the previous owner butchered the electric fan wiring so that both fans ran all of the time, directly off the ignition through five 30 amp relays ganged together, after he had some problem he couldn't solve (probably without the manuals). It worked, but it wasn't what I wanted in my Z. I didn't know I could tap the ECM to do this, so this thread is EXACTLY what I need, since I intend to set this car up right. Thanks, Steve -
Wiring questions?? '77 280Z to '90 TPI & T-5
sstallings replied to sstallings's topic in Gen I & II Chevy V8 Tech Board
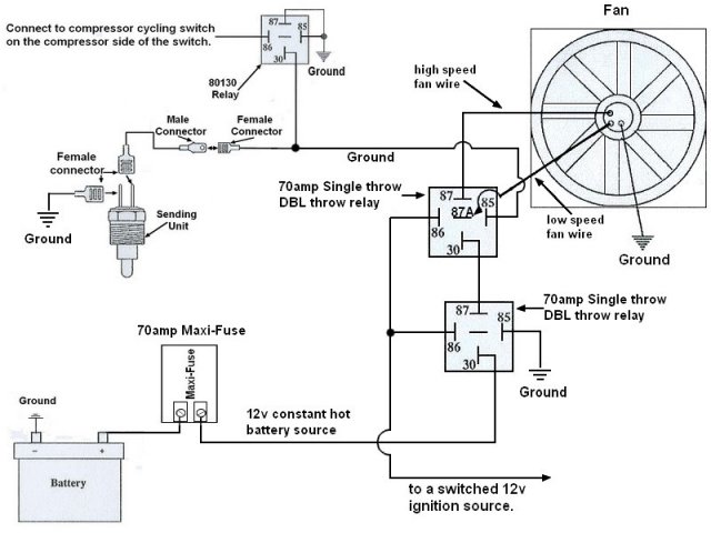
Guys, I just received the attached .jpg from Painless with their additions to my basic circuit design. Now I'm confident that it will work as planned. They sell everything needed except the 2-pole 70 amp (5-pin) relay (1 reqd.) that you can get from NAPA (my plug for Painless Performance based on all the help they provided), but you can also source these components at your favorite shop. We decided not to include the continue-cool-after-ignition-off circuit since this fan uses most of 70 amps on high, it would drain a battery pretty quickly. Also keep in mind that your alternator has to be up to the task of running this fan with lights, AC, radio, etc. on at the same time unders normal circumstances. I have to thank Dennis Diehl and his boss Dennis Overholser at Painless for their time contributions to this circuit design. Since JTR recommends this fan, I hope a number of guys on this forum find it useful. I know I will. Thanks, Steve