-
Posts
195 -
Joined
-
Last visited
Content Type
Profiles
Forums
Blogs
Events
Gallery
Downloads
Store
Everything posted by notheredave
-
4.6L Ford DOHC modular motor in my 240z
notheredave replied to notheredave's topic in Ford V8Z Tech Board
I have it on stands and with jacks to measure the wheel clearances..It looks like I will need flares...I am off by 1-2 inches. I solved the front z32 caliper setup problem with the Starion wheels by adding a 1" spacer. Here are some pictures...I will know better once I have the front hubs and the modified camber pieces and the front stuts needed to be turned down for the camber plates. -
4.6L Ford DOHC modular motor in my 240z
notheredave replied to notheredave's topic in Ford V8Z Tech Board
yah...I just installed the front suspension minus struts and spindles (at the machine shop)and mocked up the wheels to se if I had room for spacers which I will install tomorrow. -
4.6L Ford DOHC modular motor in my 240z
notheredave replied to notheredave's topic in Ford V8Z Tech Board
Here's my stub axles, sectioned struts and Starion Wheels. I got my machined stuff back and it was wrong. So here's some pictures. I will have to machine the struts for the camber plates. I will need spacers for the Z32 Calipers. -
4.6L Ford DOHC modular motor in my 240z
notheredave replied to notheredave's topic in Ford V8Z Tech Board
Yah no problems on the story...Also I Photoshoped the picture. Mine for now is silver. I figure i'm about 2 months and $1,800 before it's on the road. -
4.6L Ford DOHC modular motor in my 240z
notheredave replied to notheredave's topic in Ford V8Z Tech Board
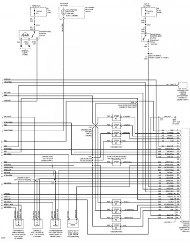
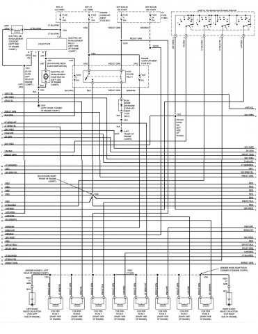
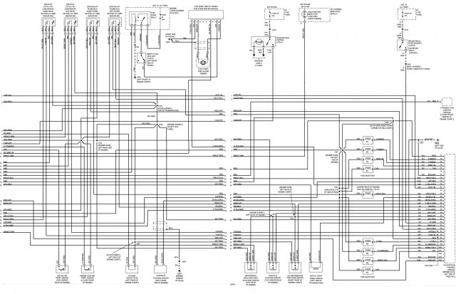
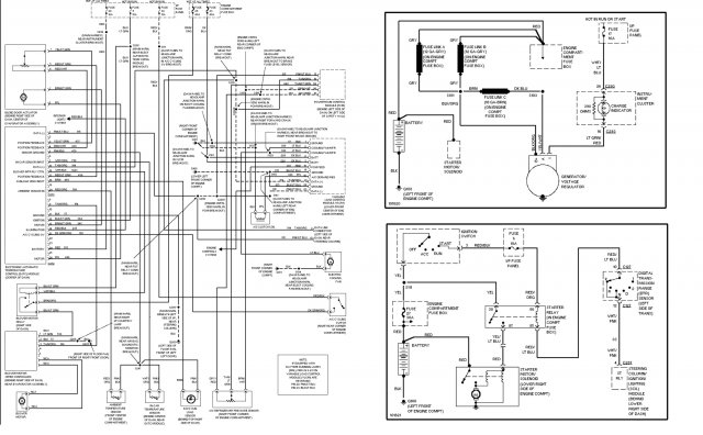
Well another day working on the electrical wiring and modified schematics attached and a Word document description (best as I can do so far) I will complete the charging and starting systems tomorrow Lincoln Continental Mark VIII.doc -
I know it's an old thread...But here is some current info. I am building my 240z with a 4.6 DOHC Ford right now and have picked up a Northstar Aurora 4.0L (for my next Z)that was recently rebuilt with inserts etc. I also pick up a set of Vin.#9 cams, springs and big valves. The 4.6's are usually wasted blown head gaskets, heads lifting (due to head bolts pulling the aluminum threads, cracked block and more...The Aurora is basically a 4.6L or 4.4L that hasn't been bored out so I'll be putting in some low compression FORD 4.6L pistons (90.2mm 8.5:1 pistons and the Aurora's are 10:1's w/ 89mm bore)and I have a GT-500 supercharger...And if you want to turbo or supercharge it??? I would get the early 1994 ish intake manifold (solid magnesium outside and take the plasic runners out and put a water to air intercooler?...no plastic outsides and no flapper door on the back (for backfires)...Also if you can find a late 2003 crank (same for all) it's forged steel. You can run: a Jeep NV1500, AX-15, NV3550, R154, R150,GM MA5, ISUZU AR5, Borg warner 5 speed Ford/Chevy five speed. For the non-Borg Warners use the mid to late 90's Dodge Dakota 4 cyl bellhousing and for the Borg Warners use the V-6 60 degree bellhousing but I would run the world class T5 from a v8. PS I have schematics...Let me know
-
PS I have schematics...Let me know
-
You can run: a Jeep NV1500, AX-15, NV3550, R154, R150,GM MA5, ISUZU AR5, Borg warner 5 speed Ford/Chevy five speed. For the non-Borg Warners use the mid to late 90's Dodge Dakota 4 cyl bellhousing and for the Borg Warners use the V-6 60 degree bellhousing but I would run the world class T5 from a v8.
-
I am building my 240z with a 4.6 DOHC Ford right now and have picked up a Northstar Aurora 4.0L (for my next Z)that was recently rebuilt with inserts etc. I also pick up a set of Vin.#9 cams, springs and big valves. The 4.6's are usually wasted blown head gaskets, heads lifting (due to head bolts pulling the aluminum threads, cracked block and more...The Aurora is basically a 4.6L or 4.4L that hasn't been bored out so I'll be putting in some low compression FORD 4.6L pistons (90.2mm 8.5:1 pistons and the Aurora's are 10:1's w/ 89mm bore)and I have a GT-500 supercharger...And if you want to turbo or supercharge it??? I would get the early 1994 ish intake manifold (solid magnesium outside and take the plasic runners out and put a water to air intercooler?...no plastic outsides and no flapper door on the back (for backfires)...Also if you can find a late 2003 crank (same for all) it's forged steel.
-
4.6L Ford DOHC modular motor in my 240z
notheredave replied to notheredave's topic in Ford V8Z Tech Board
OOOps I sent youall a .psd so here is the .jpg that I wanted to upload... PS I am using the modern Lincoln A/C and heater system. -
4.6L Ford DOHC modular motor in my 240z
notheredave replied to notheredave's topic in Ford V8Z Tech Board
I have some of the final suspension parts being machined so I started on the schematics and wiring...I also picked up another V8 for my next 240z it's and Aurora 4.0L punching it out to 4.3L, I got the cams, spring and valves from the 4.6L and one of my GT-500 superchargers. Here are some schematics...They are large and can be printed on 30" X 20" pieces at FedEx center complete_ac_start_charge_schematic.psd -
4.6L Ford DOHC modular motor in my 240z
notheredave replied to notheredave's topic in Ford V8Z Tech Board
Did my custom camber plate (medieval style) I started out with two pairs of BMW front camber plates see pictures PS the two front bushings that I have to drill out was due to using MR2 Rear Struts... -
4.6L Ford DOHC modular motor in my 240z
notheredave replied to notheredave's topic in Ford V8Z Tech Board
-
4.6L Ford DOHC modular motor in my 240z
notheredave replied to notheredave's topic in Ford V8Z Tech Board
I have the stock 4.6 DOHC in there now (waiting for welding) but I have another 4.6 DOHC with "C" heads at the machine shop being bored, and balanced etc. Which has forged pistons, forged crank, and "H Beam" rods...I bought a gt42 for it but I am now thinking of running a supercharger and an custom sheetmetal manifold including a water to air intercooler. -
4.6L Ford DOHC modular motor in my 240z
notheredave replied to notheredave's topic in Ford V8Z Tech Board
Yes I did recently consider a shaker scoop (it was an aluminum one on ebay) but I like the stock hood. I am on a supercharger kick right now. I bought a 2006 Ford GT (not mustang) supercharger, 2012 Shelby GT500 M122, a Mercedes-Benz AMG 55, and a 2010 Jaguar TVS and more. I can't stop myself LOL "I'm a child of the 70's" also My dad was a mechanic and drag racer. -
4.6L Ford DOHC modular motor in my 240z
notheredave replied to notheredave's topic in Ford V8Z Tech Board
Well I got all the parts together (I thought) for the suspension but ran into a problem with the rear strut tubes being too big 56mm (2.21")...So I will have to use a 1970 - 1975 rear strut tube which is a 2" like the fronts and almost all coilover kits...I will be using the 280z spindles in my 240z rear strut tubes. And yes I have read a lot of threads and there is a bunch of crap and opinions out there but had to find this out for myself. For everyones FYI I decided to go with Illumina's 280z front in the rear, and Mr2 rear struts in the fronts. I also have for now decided to go with the Ground Control Coilover Kit which has longer springs and I want ~200-225 lbs. in the front and ~250-300 in the rears. The weight is approximately the same a the stock 240z and I want a decent ride but perform well...I might experiment later with higher rates at the track. -
4.6L Ford DOHC modular motor in my 240z
notheredave replied to notheredave's topic in Ford V8Z Tech Board
The Dyno is a Dynatek from New Zealand and is said to be the best due to no tire slippage, strap tension and is much safer... -
coil over swap/conversion questions
notheredave replied to afbrian13's topic in Brakes, Wheels, Suspension and Chassis
I know this is an older thread BUT I noticed that you wanted to use your extra setup for a 78' 280z which has a 56mm (2.21") rear strut housing instead of the standard 50.8mm (2") So almost all coilover kits use a 2" So from what I have read is that 76' on up have the bigger rear strut tubes 56mm (2.21"). I had to go with an older 1970-1975 rear strut tube with the new 280z spindles. -
I didn't want to stray too far off your 4.6 build post by asking a ton of q's about the dyno, but do you know if it's a homemade unit, or commercially available? I've never seen one with no rollers, so I'm kinda curious. Thanks - pHIL
-
4.6L Ford DOHC modular motor in my 240z
notheredave replied to notheredave's topic in Ford V8Z Tech Board
I am not sure...It bolts to your hub. It's not the kind that has rollers. -
4.6L Ford DOHC modular motor in my 240z
notheredave replied to notheredave's topic in Ford V8Z Tech Board
I have a friend that was an engineer for Nissan and he worked for Nissan Racing (he is working on my twin turbo 5.4L Ford DOHC setup right now...and I will put the kits together)He also has a dyno in his garage yea...I also went to GM school (ASEP) program, and 7 years working for them and have connections with GM. I will be putting a speed denity setup for the Northstar engine. -
4.6L Ford DOHC modular motor in my 240z
notheredave replied to notheredave's topic in Ford V8Z Tech Board
Well I am really close to towing the car to the welder for welding motor mounts, steering mechanism (fixing my welds) and he is going to reinforce the frame rails, strut towers, tunnel, radiator support (lowered for a bigger radiator) install the rollbar, cutout rear hatch floor and rivet or weld in plate for the fuel cell and battery, and duel exhaust...huh huh huh have to catch my breath LOL. I broke down and bought a transmount crossmember from JTR (Jags That Run) $65...I got my rims with tires mounted and well "In theory everything works" but now I am having playing with wheel spacers, adapters, hubs, and disc/caliper combos to fit these 255/50 ZR 16 888 Proxys street legal track tires in the stock but rolled fenders. On another one of my motors 5.4L, (forged pistons, H beam rods, preped forged steel crank, aluminum flywheel) is done with the machine shop so that I can assemble it...Which I finnally built my own stand along kit to run up to and more than my 80lb. injectors and twin Mitsubishi TF07 turbochargers. The limit on one MAF is 750hp which is nice...But running two MAFs will yeald 1,300 hp (with hugh injectors) I would like to restore a classic heavy muscle car (pre 70s) or truck (F100 1953-1956) to put it in. I am also working on building an Aluminum blocked SOHC with PI heads for sale. Also will be putting together a NorthStar V8 with ITB's More fun. -
4.6L Ford DOHC modular motor in my 240z
notheredave replied to notheredave's topic in Ford V8Z Tech Board
I am working on more than the stock 4.6L that is in the car now and I would like to build/restore a 1956 Ford F100...and lots of fun with the 240z and maybe a second one. PS I havn't shown all my new parts...See below 1. & 2. 255/50R16 TOYO PROXES R888 COMPETITION TIRES 3. 11" Clutch and Pressure Plate ceramic disc. 4. Boots to protect my Illumina atruts 5. 80 LB injectors for my 5.4L twin turbo, 6. Gt500 Harmonic Dampener 7. Adapter from the supercharger to the throttle body 8. MR2 rear Illuminas (already have the other (2) 9. Wilwood clutch master 10. My old sectioned setup - which is for sale I decieded to hold off on the 18" wheels with the 14" brakes for now and go with Z32 calipers and 11.75 350 track rotors and Z32 or 89' 300z rears or 86' solid rears??? 11. - 15 are some Starion Wheels and you can see the standard rotor and how much room for the 11.75" discs. 16-19 are a Cannon manifold with ITB's and a 5.4L Modular V8 tunnel ram w/ (2) Demon 625cfms. 20. Is the clutch slave unit 21. Are a pair of GT500 Mufflers that are 60mile take offs. -
4.6L Ford DOHC modular motor in my 240z
notheredave replied to notheredave's topic in Ford V8Z Tech Board
-
4.6L Ford DOHC modular motor in my 240z
notheredave replied to notheredave's topic in Ford V8Z Tech Board
Thanks I agree on the gold bumper but I flattened the layers and now I will have to fix it...Also the supercharger is a M122 not a M112. The M112 came on the the 4.6L Cobra's and then the M122 came on the Shelby Cobra GT500 5.4L. There are M45 Mercedes 4 cyl. , Toyota Vans etc, and a M90 which came on the Thunder Bird sc 3.8L V-6, Buick 3.8L, and Pontiac's etc.