-
Posts
36 -
Joined
-
Last visited
Content Type
Profiles
Forums
Blogs
Events
Gallery
Downloads
Store
Everything posted by 1970 240z
-
The fuse box "headlight" circuit (see diagram earlier in posts) has a White/black wire feeding to it from the Ignition relay & Fuel Injection so power could be coming from this circuit and back feeding back up to your switch if your key is "On". The High Beam position is likely providing a grounding route, the Low Beam position may have tarnished contacts and may not be completing the ground. I think we should focus on getting power to your large White/red stripe wire at the column. There is a 6 wire connector at the passenger foot area against the firewall. It is likely behind the plastic mount for the Dash harness connections, its possible this connection is dirty.
- 55 replies
-
- 55 replies
-
Excellent on getting the turn signals working! Now on to your headlights. Here is a basic troubleshoots guide I put together for someone else, I believe you have done much of this but take a moment to review it to see if anything in it helps. Here’s a sorta step by step process for checking. 1) Start by checking the Engine bay main fusible links connections. The one closest to the fender (outer) and the front (away from the firewall) is the one that provides power to the headlight switch. These often get tarnished or corroded at the Blade connectors. Once these are cleaned and you’ve verified power on each side of the connection then move to the column. 2) Check the large White/red wire at the column; this is power from the main fusible links. This is where power enters your switch. When the switch is turned on, power exits the switch to the fuse box by way of the large Red wire with the bullet connection. At the fuse box the power is split into 2 circuits, one for each headlight. 3) Check for power at the two headlight fuses and ensure the fuses to the fuse-box connections are clean and good. 4) Since both headlights are affected, it’s not likely that these two separate power-circuits to the headlight bulbs are the issue. 5) The headlights share two common ground circuits, one for Low beam & one for High beam. Since both high & low beams are affected it is not likely these individual ground circuits from headlights back to the Turn Signal switch (High/Low selector). 6) There is a wire at the column that connects the Turn signal switch (High/Low selector) to the Headlight combo switch. Check that connection; this is where the ground circuit routes to the Head Light switch, which then continues out the large Black wire with the Blade connector to ground. There is no factory relay in the headlight circuit. There are aftermarket kits or people modify to add a relay. If yours has this mod. then the wiring and relay for this could be a suspect as well.
- 55 replies
-
- 1
-
-
For a 1977 280z: To bypass the Hazard switch to allow you turn signals to work, Jumper (on the harness side) the Green wire to the Green/yellow wire. If your turn signals work after applying the jumper then you know the Hazard Switch is an issue and not working, it likely will need to be rebuilt or replaced. Usually the contacts inside the switch are dirty and need to be cleaned.
- 55 replies
-
There is a way to by pass the Hazard switch with 1 jumper wire. I'll post how to do this once I review which 2 wires are involved. I've done this a couple of times when trouble shooting the Hazard switch. Also, (I'm sure you've done this) flick your headlights high to low and back afew times. I've seen where these old switches can get stuck in between modes and no headlights light.
- 55 replies
-
This is the flasher I'm using with my LED turn signals. I've used this on 2 cars (my 77, and a friend's 75) with no issues. https://www.rockauto.com/en/parts/tridon/novita,EL12,flasher,1013
- 55 replies
-
I recently was working on a 77 280z turn signal switch. As a by product I developed a headlight issues that sounds much like what your experiencing. I found that if the black ground wire running between (connecting) the turn signal switch and the headlight switch was not connected then the headlights would not come on. Driving/marker lights all worked but no headlights. Once reconnected all worked. Check that this wire is connected on your setup. It's the unmarked wire on the far right in the headlight combo switch diagram above.i I believe this wire completes the circuit to run the headlights through the high/low beam switch. As for power in your ground wire, that make sense as power ultimately starts at the + battery and needs to return to the - battery, effectively a circle. So as the power runs it's route it will show power along the way unless the circuit is broken/open (such as a switch).
- 55 replies
-
Hood props are typically held down with plastic clips. I just replaced my 77 280z with this and it worked great. https://www.ebay.com/itm/Hood-Prop-Rod-Support-Clamp-Clip-Holder-For-Nissan-Fairlady-Z-240Z-260Z-280Z-/253595620722?hash=item3b0b7a1572
-
Pantera hatch + rollover protection
1970 240z replied to Max_S's topic in S30 Series - 240z, 260z, 280z
This guy posted a few years ago that he makes them. You could reach out on the thread and see if he is still around and able to make them. https://www.classiczcars.com/forums/topic/30390-pantera-look-a-like-rear-lid/?page=2 user's name: 280zforce -
Bawsfuls, sorry for the slow response, i just saw that you had some more questions. Did you get this resolved already?
- 55 replies
-
That's the electric antenna switch location. Switch like this: https://zparts.com/index.php/product/antenna-switch-280z-console/ Or a Blank:
-
Bump! Any updates? Contact info?
-
You could retrofit the 280z Electric Magnetic Vacuum switch and pull vacuum from somewhere on the intake while being electrically activated from the compressor circuit of the Vintage Air.
-
PM sent
-
#4 should be getting it's power from #4b, which in turn gets power from #3 by going through the switch. If your getting power at #4 when it's disconnected from #4b, then pull you headlight fuses, you may be getting a back feed of power through the fuses. also, Check the round connectors where the main harness connects to each headlight harness. Pull apart the connector, clean and test for power. These connectors can get dirty.
- 55 replies
-
Hope this helps (1977 280z): Here I've added the headlight circuit From the Fusible link into the Combo switch wire (Wht/Red) , then From the combo switch to the Fuse box (Red), then From the fuse box to the headlights. Common issue is bad/dirty connections at the Fusible links if your not getting power on the White/Red wire at the combo switch plug. As said earlier, the Key switch is not required to be on for power to be at the headlight circuit.
- 55 replies
-
The honda civic motor plugged is wired correct for 240z's, the kia motor is wired correct for 280z's as cgsheen mentioned, I've have done both 77 & 78 280's myself with kia motors.
-
Glad the diagram helped. I agree with seattlejester as the LED's are easier on switch not harder. I've run mine for 3 or 4 years with zero issues. As you've likely already found, there are write-ups describing rebuilding the switch.
- 55 replies
-
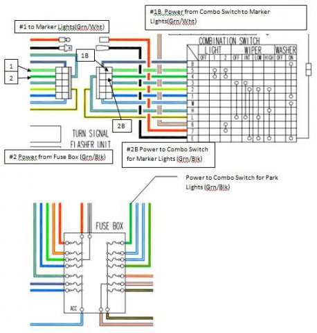
Hope this helps. Using a Test light or Multi-meter: Check for power at the fuse block(see diagram of fuse block), both ends of the fuse should have power. Power on one side and not the other means bad fuse or fuse connection. Check to see if you have power (from the fuse box) on #2 in diagram (Grn/Blk) wire at the connector on the column that leads to your Combo Switch. If so, Jumper #2 to #1 (Grn/Wht) which leads to the marker lights and your markers should light up. If lights work with jumper but not when plugged back into switch and in on position then switch is the issue. (1977 280z Wiring)
- 55 replies
-
As a side note, I replaced my turn signals with LEDs as well on my 77 280z. I didn't use any load resistors. I simply replaced my flashers with electronic ones from Rockauto, Oreilly's has them too. They've been working great for a couple years now.
- 55 replies
-
Google "How to use a Stud Welder and Pull out a Dent", I think that should help improve your corner, or maybe you could rent one, or ask a body shop to straighten that one corner metal shaping it only.
-
I'm not a z31 guy, but i would think a turbo engine harness and maf
-
Reach out to Pallnet, he has made many fuels rails for folks here. http://forums.hybridz.org/topic/99098-pallnet-fuel-rails/
-
My t-top zx needs doors seals too, I hope he can offer them.