-
Posts
2391 -
Joined
-
Last visited
-
Days Won
35
Content Type
Profiles
Forums
Blogs
Events
Gallery
Downloads
Store
Everything posted by Miles
-
I just searched HybridZ for the ZX alternator which returned 356 results. On the the first two pages were threads with the answers to your problem. Some of the threads include references to other Z websites detailing the ZX alternator swap. Included in the threads are pictures, schematics and tables showing the correct wiring. Persistent searching pays off. Listen to what this guy does:
-
T5 swap from Muncie 4spd -questions
Miles replied to TR112's topic in Gen I & II Chevy V8 Tech Board
Look up Scarab 240Z. Many people copied the Scarab V8 swap with the engine forward. I have seen several V8 swaps from the 70s and 80s that used 2" x 2" sq tubing for engine mounts and a 2 ft section of angle iron for the rear transmission mount. It gets the job done, but is not optimal. Again check out the JTR manual for details. The T5 combined with a 3.54 differential makes a nice daily driver especially at freeway speeds. -
T5 swap from Muncie 4spd -questions
Miles replied to TR112's topic in Gen I & II Chevy V8 Tech Board
Since the length of the T5 trans may be different than the Muncie, and that you have the engine forward installation, you may want consider using a JTR or MSA V8 swap kit. This will put the shifter in position with the shifter hole in the trans tunnel. See my pictures above. If you are going to do the T5 swap you might as well pull the engine and transmission so you can get the engine closer to the firewall and the transmission in a better position using one of the swap kits. Take some time and research the dimensions for each transmission. A tape measure will be your friend. There are three swap kits available: MSA, JTR and John's cars. Each has pros and cons that you can research here on HybridZ. JTR is the most commonly used install kit, but there seem to be issues with getting the transmision/driveline/differential phasing dialed in. I used the MSA kits because the transmission mount (goes inside the tunnel) allowed easy alignment of the transmission when setting the driveline angle. The swap is not hard, but you have to pay attention to details. -
T5 swap from Muncie 4spd -questions
Miles replied to TR112's topic in Gen I & II Chevy V8 Tech Board
How is the transmission mounted, MSA, JTR or home brew? Post some pictures of the mount. Recommend that you purchase the 240Z V8 swap manual from Jags That Run. It has a lot of usable information for new or updating engine swaps in Z cars. -
T5 swap from Muncie 4spd -questions
Miles replied to TR112's topic in Gen I & II Chevy V8 Tech Board
You can ether use the Camaro BH or use the Chevy BH and make an angled suuport for the transmission. It is up to you. You may be able to reuse some parts like the flywheel. Many Chevy parts are interchangable. -
T5 swap from Muncie 4spd -questions
Miles replied to TR112's topic in Gen I & II Chevy V8 Tech Board
The WC T5 transmission is tilted15 degrees towards the driver. The 15 deg tilt is absolutely no problem, I have done two. Note that there is a V8 T5 and a V6 version of the T5 transmission. They have different spline counts. You will need to get the V8 version. So unless you want to make a special transmission mount you will need an 89 Camaro T5 bell housing, driveshaft, flywheel, clutch pressure plate/disk, throwout arm, throwout bearing, slave and a 7/8" clutch MC. All of the forgoing components were for an 89 Camaro V8 WC T5 transmission. Napa sells the slave. Both Tilton and Wilwood make clutch MCs that will work. On mine I swapped the 240Z push rod for my Willwood push rod so the clevis would bolt up to the clutch pedal. The Wilwood MC is more compact than the Tilton. The Camaro slave uses a roll-pin hose connector. So you will need AN -3 SS braided hose and a -3 to roll-pin adapter/connector at the slave. There is a parts list in a post in the Drivetrain section. Do some searching for details. As I recall both the Tilton and wilwood MCs come with -3 adapters to connect the -3 line to the MC if not Summit has them. You will have to have the drive shaft shortened and balanced. Note: use a quality driveshaft shop! I had the new flywheel surfaced and then balanced with the clutch pack bolted on. Be sure to get the driveline phasing (driveshaft angle) correct to avoid vibration. Search the Driveline section for instructions. -
You may be correct. I was looking at 240Zs on Craigslist and was amazed at the asking prices for poorly crafted hybrid z cars. Cars in the LA area were the highest. I bought my 240Z in San Jose in 2001 for $3K. It was a two owner car and very clean. The original owner kept it until 1999 and he took meticulous care of the car.
-
Not worth his asking price. For his asking price the entire car should have been restored such that it has new paint, new weather seals and everything working. There is absolutely nothing special about this car. Offer him $5k and have the car shipped home. You will get burned. Look at the attached pictures. This 72 240Z was stripped to bare metal and rebuilt from the ground up and includes a new Good Wrench crate 350 SBC and a T5 Camaro transmission. Over $25K invested. It has been on the road reliably for 10 years. It is maybe a $10K to $12K 240Z if I were to sell it. I bought a 240Z like the one you are looking at and it turned out to be a real horror show. We had to take the car apart and start over.
-
240z S12W caliper/rotor rub!
Miles replied to superduner's topic in Brakes, Wheels, Suspension and Chassis
Check Motor Sports Auto (MSA) for bearings: http://www.zcarparts.com/ You can call MSA and ask them about the differences in hubs and bearings. This would be a good time to install new bearings. You can do them yourself or take the hubs to a machine shop where they can press out the old bearing races and press in the new races. MSA also sells some refurbished parts. They may have hubs if you decide to change them. -
240z S12W caliper/rotor rub!
Miles replied to superduner's topic in Brakes, Wheels, Suspension and Chassis
This happens to many of us restoring old cars. My first 72 240Z had a 280z right rear strut and brake assembly that created some confusion for awhile. More info on hubs: http://forums.hybridz.org/topic/60061-240z260z-front-hub-difference/ -
240z S12W caliper/rotor rub!
Miles replied to superduner's topic in Brakes, Wheels, Suspension and Chassis
You have 240Z hubs shown in your first post or are they 260Z hubs? 280Z hubs are round Also see 240Z hubs below. -
240z S12W caliper/rotor rub!
Miles replied to superduner's topic in Brakes, Wheels, Suspension and Chassis
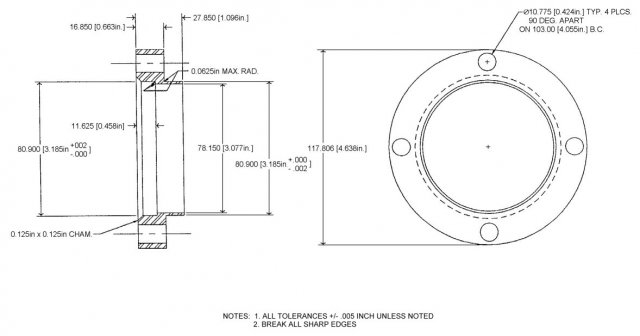
The dimensions TTT quoted you do not look right. Do you have 260Z hubs? Note attached drawing which shows thickness dimension 16.850mm (0.663in) is very close to my MM spacer purchased in 2006 from Ross. -
240z S12W caliper/rotor rub!
Miles replied to superduner's topic in Brakes, Wheels, Suspension and Chassis
edit -
240z S12W caliper/rotor rub!
Miles replied to superduner's topic in Brakes, Wheels, Suspension and Chassis
Can you post a picture showing where the rotor is contacting the caliper? Another issue that has come up here a few times is that the poster had the wrong rotor. -
240z S12W caliper/rotor rub!
Miles replied to superduner's topic in Brakes, Wheels, Suspension and Chassis
See post #12 in the link I provided above. The 240Z MM spacer I bought from Ross is 17.09mm thick (0.673in) Buy a digital caliper and measure the thickness of the spacer you have and then post what you get. Harbor Freight has the caliper for less than $30. If it is thinner than 17.09mm (0.673in) then you have the wrong spacer. -
240z S12W caliper/rotor rub!
Miles replied to superduner's topic in Brakes, Wheels, Suspension and Chassis
Yep. Techno Toy sells sells the spacers for the 240Z and 280Z. He may have bought the wrong spacer. https://technotoytuning.com/nissan/240z/z-rotor-spacers-s12w-4-piston-toyota-caliper-conversion -
240z S12W caliper/rotor rub!
Miles replied to superduner's topic in Brakes, Wheels, Suspension and Chassis
http://forums.hybridz.org/topic/121985-s12w-on-73-z-mm-adapter-plate-issues/ -
All lights are dim, brighten when I rev [UPDATE] Alternator not charging
Miles replied to JTCN's topic in Miscellaneous Tech
Take the car to Autozone or Oreily's etc and they will check the alternator and battery for free. Then go from there. Also, a loose fan belt can cause those same symptoms.- 8 replies
-
- battery
- interior lighting
-
(and 4 more)
Tagged with:
-
Welcome. Suggestions: Download a Factory Service Manual (FSM) Download electrical schematics for your car. PDFs are easier to read than those found in books. Some are in color. Buy the book How to Restore Your Datsun Z Car by Wick Humble. It will save you hours of searching for "how to" info. Focus on searching Hybridz as 99% of questions have already been addressed. Start bookmarking Z car parts suppliers Remember these are 40 year old cars and will need restoration to be safe and drivable. Join ClassicZCars.com website and search there as well. Become well informed about modifications before asking questions. People will be more inclined to answer informed questions. Search the forums. Read the new member FAQs. Useful Links: http://zhome.com/ http://www.zcarparts.com/ http://www.arizonazcar.com/ http://www.jagsthatrun.com/index.html
-
http://forums.hybridz.org/topic/49661-z-car-rear-disc-brake-conversion-brackets/page-8
-
This Motive Power bleeder is what I have been using to bleed brakes for about 12 years. Works good. I use the 0251 model kit that has the universal MC cap, but one of the other kits may have a cap that fits 240Z, 280Z, 280ZX and Wilwood MCs. https://www.motiveproducts.com/collections/import-power-bleeder-kits
-
Same thing happened to me. I bought rebuilt Cardone 240SX rear calipers from O'Reily's. They were both filled with rust as if they had been submerged in water for a long time.
-
Describe the procedure you used to bench bleed the MC. What is the brake set up on the rear? Some rear brake "upgrades" place the bleed screw at an angle making it impossible for air to escape the caliper.
-
In the far left column you can customize what you want to see in "View New Content". Here is what is happening: I set the display criteria to "last 24 Hours. Each time I log out and log back in (hour, next day etc.) The selection criteria gets re-toggled to something different from "last 24 Hours" to "Members" or some other choice that I didn't select. Never did that before. Not a complaint. It just started doing this about the time of my post two weeks ago.
-
240z dies when choke is fully open
Miles replied to 5 Star Rising's topic in S30 Series - 240z, 260z, 280z
From post #21 above: Actually there is a procedure for diagnosing engine problems. For example, before checking the intake/carbs etc you should check and set your ignition system so you know if there are problems and have the timing/dwell/plugs etc mostly dialed in. After you correct the carb/intake problems go back and recheck the timing/dwell etc. Otherwise you are trying to diagnose a problem while dealing with too many variables. You learned a lot. Now on to the next problem.