NewZed
Members-
Posts
6692 -
Joined
-
Last visited
-
Days Won
71
Content Type
Profiles
Forums
Blogs
Events
Gallery
Downloads
Store
Everything posted by NewZed
-
Try the basic test of engine on/engine off. Does it shift in to gear with the engine off? The FSM shows two transmissions for 83, but only one clutch. Odds are they're the same. It's possible that the slave cylinder slipped out too far when you had it disconnected and you lost some fluid. Check the rubber boot for fluid, the reservoir for fluid level, and re-bleed the clutch. That's what I would do. If it worked once, that's a sign that you have the right parts, they're just not working right any more.
-
I think that Pin 18 is the ECU trigger from the coil negative terminal. Page EFEC-80. I would spend all of my time looking only at the diagram on EFEC-80 and make sure that everything that should be connected is, and everything that should have power does. It looks like it covers everything. Don't worry about wire colors just use a meter on the terminals. ECU connector to every component. Be aware that after you get it running with your turbo injectors it might stink like gas and foul plugs, if it stays running, because those are the wrong injectors for the ECU.
-
The attached picture and text is from the 1990 300ZX EFEC chapter, page EFEC-24. Maybe it has some clues. Each point is an ignition timing value, but there are other conditions used by the ECU also. Maybe the ECU is acting on an erroneous condition indication. Battery voltage, starting signal, temperature... I'm not sure what the text means by the ECU detecting injector pulse width since it is the ECU that sets injector pulse width. Probably a translation grammar error. I assume that the RB engine management is similar, they all seem to use this map from the early 90's on.
-
I have a fuel pump (not on the car now) that will run and hold pressure for about ten minutes then slowly start binding up and lose ability to hold pressure. A fuel pressure problem is more likely than a TPS problem. But the reading won't hurt you.
-
260z L28et Build (first build newb)
NewZed replied to Co0ke's topic in S30 Series - 240z, 260z, 280z
Didn't you check the timing with a light? The distributor's position determines where the rotor is when the spark happens but if the spark's not jumping to the wrong terminal (which would cause a bad miss), what tooth it's on shouldn't matter if the timing is right. Just saying, the logic seems off a little bit. -
Just verifying some things, 4 to 5 speed swap 280z
NewZed replied to yamahondarider's topic in S30 Series - 240z, 260z, 280z
One thing that might cause a bind is not lifting the car high enough to slide the transmissions out/in. Plan ahead. -
Raybestos ST43 looks expensive, for Z's - http://www.topbrakes.com/c/car-series/16541/Racing+Brake+Pads/RAYBESTOS/Raybestos+Custom+ST43/1976+NISSAN+280Z+
-
There's a pretty long thread on the forum somewhere about measuring cam specs. that suggest the numbers on atlanticz may not be completely correct. The FSM might get you closer (Engine Mechanical chapter), but there's some question about those numbers also. For increased performance purposes though, most people seem to consider the stock cams as essentially the same, compared to what you can have done by a specialist. The biggest issue with the P90 head is probably whether or not it's hydraulic or mechanical lash adjustment.
-
The throttle body just lets air in as the engine tries to pull it in. It has nothing to do with the air-fuel ratio. You may not be in the green, but the bigger throttle body will have little to do with the red. It will probably just make the motor feel more responsive, or more boggy, because it will be like stabbing the throttle from closed to wide open. It will be more switch-like, than progressive.
-
77 280z cannot start, injectors not functioning?
NewZed replied to ISPKI's topic in Ignition and Electrical
Try borini63. He parts out a lot of cars and some of them were running when he got them. Bad ECU's are not common. Pretty easy to plug and unplug also, if you can find someone to loan you theirs for a try or a pre-purchase test. -
The flywheel bolts might have threadlocker on them. Heat will soften it up and lengthen the bolts a little. Might help.
-
Removal is described in the FSM (sqwauk - FSM, FSM, sqwawk - where's my cracker?), try the Body Electrical chapter. Pictures, words, etc. You don't need to remove the dash or the glove box on a 280Z (probably not for a 240 either, no offense BD). They come out from the front after you take the AC control panel off. The screws are above the gauge face. Edit - my mistake, they do come out from below once you remove the front panel. It's pretty easy though, nowhere near dash removal level. http://www.nicoclub.com/FSM/
-
77 280z cannot start, injectors not functioning?
NewZed replied to ISPKI's topic in Ignition and Electrical
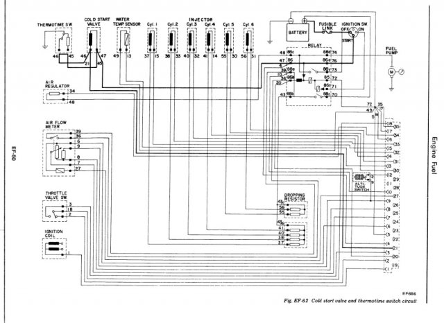
EF-55 to -57 of the FSM. There are a page and a half of testing procedures for the relay, pin by pin. Could save you some money. -
I've read accounts of people using long screwdrivers to get the tensioner re-inserted. But I've also seen accounts of lots of time wasted trying. If I was in the situation I might at least try to fabricate a tool that could be used to lift and push on it. Worth a shot. Maybe work through the access hole on the front of the timing cover so you can see better what you're trying to do. Seems like someone would make and sell a modified tensioner plate that only allows so much travel so the tensioner can't pop out. Like the one in the attached link. People would probably buy it just for insurance or ease of head work. Maybe that's why Kameari uses it. http://kameariusa.com/L6_AdjTimingChainTensioner.php
-
77 280z cannot start, injectors not functioning?
NewZed replied to ISPKI's topic in Ignition and Electrical
Pin 4 gets power during Start, along with the CSV system. Do you have a fuel pressure gauge connected? I don't see any sings that you've confirmed that the fuel pump runs and continues to run after the engine starts, -
There are pictures and descriptions in the FSM that explain cam/crankshaft coordination. There's a notch and a groove and a timing mark that tell all when combined with general knowledge of #1 cam lobe position. Align and orient four things and you'll be safe, after you get the tensioner back in to its hole.
-
question about headlight relay mod
NewZed replied to disepyon's topic in S30 Series - 240z, 260z, 280z
Unfortunately, the guy that developed the kit had a 240. Search "Zs-ondabrain" on classiczcars.com. He built the kit that MSA sells. -
question about headlight relay mod
NewZed replied to disepyon's topic in S30 Series - 240z, 260z, 280z
You can use a relay between the combination switch and the headlight fuses at the fuse box to take the current load off of the switch. The switch will then only carry enough current to run the relay. The headlights will still ground through the dimmer switch in the turn-signal stalk but at least you'll have one old resistive contact out of the headlight circuit. Your lights might get a little brighter and the odds of the combo headlight switch failing from heat-cycling go down. -
Have you considered putting the original brake parts back on?
- 48 replies
-
- brake bleeding
- bleed
-
(and 2 more)
Tagged with:
-
Shock/strut purchasing without Tokico's
NewZed replied to joshp's topic in Brakes, Wheels, Suspension and Chassis
I've seen reports from several people who run KYB's with lowering springs. KYB puts a warning on the box not to do it but it's not clear what damage might occur. I have KYB's all around, with cut springs in the front and Tokico's in the back. Probably not a good race car setup but it works fine for street driving (for me). Lowering the car makes it handle much better, from the jacked-up stock configuration. -
77 280z cannot start, injectors not functioning?
NewZed replied to ISPKI's topic in Ignition and Electrical
You can check the wiring from the injector plug to the ECU also from the connector. Find the pin numbers from the diagram and just measure continuity between the injector connector and the ECU connector. You've already checked power, the other side of the injector circuit, when you grounded the light bulb. Eyeball the diagram and you'll see that many of those grounds go to a common point. There's one in the EFI harness, it's screwed to the top edge of the intake manifold, where the harness jumps the gap from the body to the engine. This thread illustrates why once you have the ECU connector in one hand and the meter in the other you might as well spend time testing as many of the circuits as you can. Grounding is one of those things that seems so simple it's often overlooked. -
No, just check the intake system and crankcase for air leaks. That includes all of the hoses. The crankcase is connected to the intake system through the PCV system. The ECU meters fuel based on the quantity of air indicated by the AFM. If you have any leaks, the air/fuel ratio will be lean. Even the dipstick tube will allow a leak if the dipstick is not seated. Focus on the things you touched when you removed the valve cover. Old hoses can split when they're handled. If you put any fancy breather filters on the valve cover while you were there, that was a mistake. All of those hoses need to be intact.
-
Vacuum leak to the crankcase is probable. Check all hoses, including PCV. All air to the intake system must pass through the AFM at least once, including PCV. I'm assuming that you have a ZX, since ZX is in your screen name.
-
I've had new slave cylinders with machining grit inside. Some times new parts fail quickly. Have someone press the pedal while you watch the slave cylinder. A quick and easy way to distinguish between the hydraulics and the clutch.
-
You've identified all of the key clues. If you were forced to formulate an answer, what would it be? What would you do to check your proposal? Why am I writing this like a question on an exam?