 
        NewZed
Members- 
                Posts6692
- 
                Joined
- 
                Last visited
- 
                Days Won71
Content Type
Profiles
Forums
Blogs
Events
Gallery
Downloads
Store
Everything posted by NewZed
- 
	Off centered 75 280z steering rack....hmmNewZed replied to marinez's topic in Brakes, Wheels, Suspension and Chassis Why not put a tape to it first? If the rails are bent, a stock member won't fit anyway.
- 
	Disappointing conversation with CustomPlenumCreationsNewZed replied to Brad-ManQ45's topic in Nissan L6 Forum Read the last post in the Hybridz thread you sent him and you can understand why he backed off. You went to someone who considers himself somewhat of an expert in the field and dumped a large load of other expert opinions in front of him, EMPHATICALLY stated, that are the opposite of what he advertises on his Facebook page.. Who would want a piece of that?
- 
	Off centered 75 280z steering rack....hmmNewZed replied to marinez's topic in Brakes, Wheels, Suspension and Chassis I would take some measurements and see what you're dealing with. Maybe somebody repaired a damaged crossmember. I underlined two simple ones, one between the rails and one to the crossmember mount bolt heads.
- 
	Off centered 75 280z steering rack....hmmNewZed replied to marinez's topic in Brakes, Wheels, Suspension and Chassis Weird. Did somebody do some funky body work under? Is that even the stock 280Z crossmember? You might open up the Body chapter and take some measurements.
- 
	Disappointing conversation with CustomPlenumCreationsNewZed replied to Brad-ManQ45's topic in Nissan L6 Forum He's probably seen the discussions about Sensa Pari and is avoiding any Hybridz association. The OP probably could have had one made but he might have referred to the JeffP thread and ruined his chance. Ariel/ISL33P never came back with the flow numbers in that other thread. His business, and the Sensa Pari fiasco, shows that there's a demand out there. Ron Tyler and BRAAP's work showed that bolt-on performance for the L6 is not easy. Lots of L series engines over there, seems like somebody would have done one already.
- 
	Off centered 75 280z steering rack....hmmNewZed replied to marinez's topic in Brakes, Wheels, Suspension and Chassis 
- 
	Disappointing conversation with CustomPlenumCreationsNewZed replied to Brad-ManQ45's topic in Nissan L6 Forum I'm cynical in general, especially with the old internet making it so easy to create an image from nothing. The CPC Facebook page looks just like the Sensa Pari stuff. Cut an old manifold, install a neat-looking plenum. It is odd though that they wouldn't even talk about taking your money. Could be that they're just managing their customer base. You're not what they're looking for.
- 
	Disappointing conversation with CustomPlenumCreationsNewZed replied to Brad-ManQ45's topic in Nissan L6 Forum If your business model is based on creating an image then controlling that image is important. If they build your custom manifold and the wrong person gets hold of it later, they could spend their time explaining why the ports don't match. "Look at these CPC ports man, they don't even match!". Much easier to make a shiny manifold with good welds and matched ports. Everything "looks" right. It's not about performance, it's about appearance. I've seen the reversion discussions and they make sense in certain applications. These CPC guys might know also but just don't want to deal with it. Or they don't really know and are just sticking with what looks right. Sensa Pari was just a welder with an artistic flair that stumbled in to a pile of easy money. He couldn't even get his parts to bolt on correctly.
- 
	Disappointing conversation with CustomPlenumCreationsNewZed replied to Brad-ManQ45's topic in Nissan L6 Forum How are these guys different from that Sensa Pari guy? Jeff P has one of his manifolds, still waiting for his review.. There's no performance information or theory on the CPC Facebook page, just a bunch of comments about nice welding and how good they look. Do they have a real performance history or are they another show-performance company? Seriously, wondering...
- 
	Disappointing conversation with CustomPlenumCreationsNewZed replied to Brad-ManQ45's topic in Nissan L6 Forum But you understand Jeff P's?
- 
	Disappointing conversation with CustomPlenumCreationsNewZed replied to Brad-ManQ45's topic in Nissan L6 Forum You forgot to add the little emoticon. To show you're being ironic.
- 
	You were so close. You can't really take an uppity tone when the answer was right there, and you almost had it yourself. It was the "wrong" pulley for the timing tab, and, by some definitions, it was a hack job. Pretty clear.
- 
	Off centered 75 280z steering rack....hmmNewZed replied to marinez's topic in Brakes, Wheels, Suspension and Chassis You could follow the instructions in the Steering chapter. Apparently there are two "punch" marks.
- 
	Transmission crossmember frame nut possibly crossthreaded?NewZed replied to Stunt's topic in S30 Series - 240z, 260z, 280z You're just planning way too much cutting and welding. Cut a 2x2" piece out and weld in a new one. They can even fabricate a new floating nut. Or cut the floating nut piece out of the parts you've bought or are planning to buy if you just have to have original Nissan parts. Find a friend who has some real mechanical skills who can look at it and give advice. If you go in to the wrong shop with this problem they're going to milk you for hundreds or thousands of dollars when they realize that you don't know much. Only being blunt to save you some money and future problems but you're on the verge of making a big mistake. This would not even be considered a real problem for most of the people on this forum, just a simple activity, maybe an hour's worth of time. No offense. You're in over your head. You're on the right forum though, if you can just take the advice.
- 
	Weren't you installing one liner so that you could keep the other five as-is? Now that you have four bad, you're in simple bore all six and get new pistons territory. Probably cheaper than four liners and keep the pistons. Might be time to stop and calculate. Four liners, keep pistons = X $. Bore all six, get new pistons = Y $.
- 
	Bummer. Seems like removing a groove from a double row might be an option. Why do you need single? This guy might have one or could rebuild. Good luck. http://www.datsunstore.com/crank-pulleys-7083-rebuilt-turbo-p-652.html
- 
	Transmission crossmember frame nut possibly crossthreaded?NewZed replied to Stunt's topic in S30 Series - 240z, 260z, 280z You could just take a hole saw and cut a circular piece out. Seems like you're overthinking the problem. I'd take it to a body shop and let them recommend a fix. They're used to working with sheet metal and structural elements. It's not complicated for somebody who works in the field.
- 
	MSA has two options. http://www.thezstore.com/page/TZS/PROD/classic12d02c/10-2139 http://www.thezstore.com/page/TZS/PROD/classic12d02c/10-2138
- 
	That's considerate. But there are probably 50+ threads on this forum alone with your almost exact problem description (except for the 2 psi number). One more won't hurt though. Not sure how a relay swap fixes "no pulse". Unless there's no power to the injectors. That can be checked with a meter. Good luck. The clutch problem probably has 100+ threads. You're surrounded by ghosts.
- 
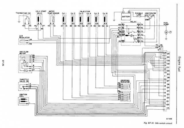
	That might have been me who commented about the tachometer. I've seen it twice with stock ignition systems but my 76 car, currently, with a GM HEI ignition module doesn't do it now. So it's unclear. It might be a problem but it's not guaranteed. There's a simple test you can do to see if the injectors are being triggered. Connect a wire to the coil's negative post. Leave the other end dangling free. Turn the key On. Quickly tap the wire to a ground point. A spark will be created at whichever spark plug is in line with the rotor. Every third tap should fire all six injectors. The tapping is mimicking the ignition module and the ECU sees the sparks and responds on every third tap/spark, a full revolution of the engine. If you get injector firing don't worry about the tach. If you don't you'll have to figure out why. You might be trying to do too many things at one time. With the EFI system you can check each component individually, and as assemblies. Read the Engine Fuel chapter to understand how the fuel pump gets its power, and when.
- 
	You already showed that the motor does "turn" and also "fires" if you add gas. It's turning. You haven't said or shown that you know the injectors aren't opening. If they did open what do you think the difference in quantity of fuel will be between 2 psi and 36 psi? Your title is on track - "not getting fuel". The most likely cause is low fuel pressure. The test procedures for the injectors and the fuel pump and much more are in the Service Manual.
- 
	Proper fuel pressure is very important. 2 psi is not right.
- 
	
- 
	"Stock" 280Z EFI systems won't handle a turbo well. People do it but it takes some in-depth engine management knowledge to make it work. If you take it to a shop they won't know how to make it work either. You are in over your head, there's no easy way. You could just leave the turbo disconnected and use the 280Z EFI system to run the engine. It will just be a low CR L6 engine. Drivable with much less chance of blowing up. Seriously, there's much more involved than what type of connector to use.
- 
	Why wait a week? There's all kinds of special you need to know. Check bunblezee's thread. You haven't said what engine management system you'll be using. http://forums.hybridz.org/forum/90-l-series/ https://www.google.com/search?q=Needing+some+wiring+help+with+l28et+swap&rlz=1C1CHFX_enUS584US584&oq=Needing+some+wiring+help+with+l28et+swap&aqs=chrome..69i57&sourceid=chrome&ie=UTF-8
 
                     
                     
					
						 
                     
                    