NewZed
Members-
Posts
6700 -
Joined
-
Last visited
-
Days Won
72
Content Type
Profiles
Forums
Blogs
Events
Gallery
Downloads
Store
Everything posted by NewZed
-
Consider the HEI module replacement. At least it's a new part. Apparently it runs the coil just fine using the ECU square wave instead of the GM VR signal. Skittle wrote it up on zcar.com. Just a cheap option.
-
If the engine runs well, and it's the hoses that are cracking, you could replace hose alone for about $5. If you're going to run stock injectors, there's really no point in getting an aftermarket rail, except looks and maybe ease of installation.
-
A before-and-after cause-effect process might help you. You mentioned the ZX alternator swap but didn't say if that was the only thing you did, or if it worked just before the swap, but not after. You said the engine ran then died and hasn't started since, last year. What's happened in that year? You're getting voltage sometimes - voltage to where? You have a brand new coil - was it replaced to fix the problem, or replaced before the problem? Can't tell what happened when. Ballast resistors don't generally go bad when they're just sitting. As for measuring coil voltage, you can measure power to the ballast also, it's sitting right there with terminals exposed. And, the ballast and coil only get power when the key is on. In case you've been measuring with the key off. Here's the easy link to the FSM's. Try the Engine Electrical chapter for some diagrams. http://www.nicoclub.com/datsun-service-manuals
-
Need brake conversion info/help
NewZed replied to daddydonuts's topic in Brakes, Wheels, Suspension and Chassis
Did you add the part about pumping the brakes, in the first post? Didn't see it yesterday. That says air in the system. These types of swaps, in general, seem to be notorious for not having the bleed hole at the very top of the caliper's internal passages, when mounted. Even off just a little bit, the air will sit there while the fluid flows out the bleed hole. The external hole may not be a direct shot to the internal high point either. They all seem to take some finagling. -
Actually it just monitors how fast things change. Dramatic changes in the slope of the speed-time curve, within one turn of the shaft (per the ad copy). It's tunable too, so in the long run, tooth number won't matter if you're in the ball-park. Just saying, it's not critical to know the number of teeth. On the other hand, more teeth might give higher resolution to the processor, and signal quality from the sensor would be important. Same as crank triggered ignition, probably more so. "The TMS-Drag-Sportsman is our entry level Traction Control system. This Non Self-Learning system monitors the drive shaft speed and reacts to any sudden increase in that speed. The user can adjust the threshold of over acceleration that will cause a correction (AFR)." Pretty cool technology. Here's more on the "How Does It Work" page - http://www.moretraction.com/howdoesitwork_drag.htm On the other hand, if it has a speedometer function included, then you might need the numbers. Unless that's tunable also. I'm done. Just wanted to make that point...
-
Seems like Megasquirt should be able to control a relay using an ignition signal. Just a thought. Here's a link that might offer something. http://www.diyautotune.com/tech_articles/common_megasquirt_modifications.htm
-
Tension rod(compression rod) question.
NewZed replied to rickyellow zee's topic in Brakes, Wheels, Suspension and Chassis
My impression has been that they're the same for all of the S30's. This reference shows one part for the all years (scroll down to the part description to see the year range) - http://www.carpartsmanual.com/datsunS30/DatsunZIndex/Axle/FrontSuspension/tabid/1729/Default.aspx If it's a later, big-bumper 260Z then the odds are close to 100%. -
Just post the story, if the moderators feel it's out of line they'll let you know, and delete it. But, did you let the guy know what you got? He may have just passed on what he thought he was getting. Give him a chance to make it right first.
-
Unless you're injecting in sequential mode, back-of-the-valve targeting isn't really significant, from my learnings. Only one intake valve will actually be open per injection event in batch mode, two in semi-batch. Apparently, even good vaporization out of the injector isn't that significant either, except for emissions purposes. That's why the primitive Nissan injectors (from Denso or Nippon-Denso?) shoot a narrow stream even though the Bosch design of the time, that they're based on, sprayed a cloud. Just some thoughts. It looks great in the minds eye to see a cloud of fuel vapor thrusting past the intake valve to do its work. But it doesn't seem to add up to much, in reality. I learned most of this from a French model on the internet, Beware. Forgot to say that I've had a set of Bosch injectors (028 150 116), that sprayed a nice big beautiful cloud of vapor, on my stock 1978 L28 and EFI system, and a set of original 1978 Nissan injectors, that sprayed a tiny jet stream of fuel, and they ran and idled essentially identically. That's why it's in mind. I built a flow tester to test flow rates, leakage, and see injection form. Results were kind of disappointing, but kind of comforting also. One less thing to be concerned about.
-
The number of teeth doesn't really matter for traction control, does it? It's the rate of change in rotational speed that the unit monitors. As long as the unit gets a good signal from the sensor teeth it should do what it's designed to do.
-
The rear crankshaft seal is the wearing part. You can replace it from underneath the car with the transmission out and dust cover removed. I don't think that those "stop-leak"s for oil work for long. They have swelling agents that soften the seals, I believe, but the material also weakens and wears faster. The leaks come back.
-
74 260Z Reverse lights will not turn off
NewZed replied to thomas461's topic in Ignition and Electrical
If the switch is stuck closed when it's in the transmission, then opens when you remove it, the next place to look would be in the transmission, or at how the switch is seated. Could be that the switch you installed sits too deep and closes the circuit. But first you need to know if the switch itself opens and closes like it should, then go from there.- 3 replies
-
- transmission
- lamps
-
(and 1 more)
Tagged with:
-
74 260Z Reverse lights will not turn off
NewZed replied to thomas461's topic in Ignition and Electrical
Sounds like the harness shorts out when it's connected to the switch. Make it stop doing that. Either add some insulation or bend the two tabs on the switch farther apart. IF the switch is correct AND disconnecting the harness turns the lights off, that's the only possible cause. By "switch is correct" I mean that it's open circuit when the trans is not in reverse and closed when it is. Use a meter or test light to be sure.- 3 replies
-
- transmission
- lamps
-
(and 1 more)
Tagged with:
-
Which gears? All of them? 1-2, 2-3, 3-4, 4-5? And are you really banging gears like you're trying to break something, or just shifting fast? The synchro gears just match gear speeds, there's not really much to get stuck there. Sounds more like you've damaged the shift rods, balls and adapter plate with the gear-banging. The balls aren't dropping back to their neutral locations. If you take it apart to look at the synchros, you'll see those parts anyway. But I'm just guessing. duragg knows these transmission details by heart. Give better details and someone might know for sure.
-
Did the car have the vibration before you installed all of the new stuff? If yes, then it's probably stuff that was already on the car. If no, then it's probably the new stuff.
-
My thought, more fully-formed, is that tuning the MS side for problems picking up the teeth is pointless (pun!) if you're getting a square wave from the sensor and MS uses it correctly. As you said, you're getting a solid zero or twelve volt square signal at MS, so MS has what it needs. Noise at the sensor would just add more zeros and twelves, noise on the wire to the sensor would add some intermediate voltages that the VR circuit would use to trigger. Shielding on the wire from MS to the sensor might help. In other words, if you're getting a clean sensor square wave, just too many of them, then the problem is on the wheel side of the sensor. If you're getting too many voltage spikes that the VR circuit sees as a trigger, then the problem is noise in between the sensor and the MS board. I don't know if MS datalogs will pick that up. An oscilloscope probably would. Just trying to break it in to logical pieces. Don't try to work on all of it once. Seems like you're trying changes on both sides of the sensor, and at the sensor.
-
With a Hall sensor don't you just increase the voltage to get better S/N? Maybe your input voltage is low. Seems like you're missing the benefit of going to Hall sensor over VR. I think the main purpose of developing the Hall effect sensors was to get a consistent square wave signal of pre-determined voltage, or strength, much greater than any noise on the line. Isn't there something in the data logs that shows output voltage from the sensor? Seems like you should be able to better quantify and optimize the signal you're using, than just spinning the trigger wheel and hoping the pulse count is right. The problem seems to be more difficult than it should be.
-
The 280Z and 280ZX used the same transmissions. Problems in the 280Z will probably be the same in a 280ZX. You might have less space in the transmission tunnel with a 280ZX though, so the two inch move might be take some hammer work. ZX's seem generally more cramped for space than the Z's, by eye, although I've never had a ZX so don't know for sure. You will probably be the first to do this swap. Good luck. Read these: http://forums.hybridz.org/topic/111158-my-cheap-z32rb26-tranny-shifter-bracket/ http://forums.hybridz.org/index.php/topic/47599-z32-tranny-install-writeup/ http://forums.hybridz.org/index.php/topic/101735-z32-transmission-adapter-kits-for-l28/
-
Might be color. I have a 1/76 with silver nuts. I just went out and tried a black nut that I pulled from a 77. They're identical. Except color. Nissan has a surprising quantity of parts still available for these cars. If your local dealer can't get them Courtesy might be able to. http://www.carpartsmanual.com/datsunS30/DatsunZIndex/Electrical/WindshieldWiper/tabid/1675/Default.aspx http://www.courtesyparts.com/nut-lock-p-311583.html
-
The 3.54 R180 was used up to 1983, at least. Copied the 1983 specs. from the FSM. Only 31 years old! I see them around occasionally in the wrecking yards. They cost about $90 around here.
-
Looks like you had it pretty close in Post #1. Just replace Tokico Illuminta and Spring Kit with KYB and Eibach lowering springs. You had new urethane bump stops on your list already. Then beware of bumps, either large or hitting at high speed. That's the intermediate cost option. Even cheaper would be to cut your stock springs. The assumption is that you're replacing to get the car lower for street driving, not go racing.
-
Wouldn't this show in the wear pattern of the teeth? If not worn in already, it should show up on the bench with some marking and turning. No measurement tools needed except a good eye.
-
Troubleshooting w/ Vacuum Gauge- where to go from here?
NewZed replied to AdreView's topic in Nissan L6 Forum
Well, good luck with it. Engine RPM can be affected by three things - air supply, air/fuel ratio, and timing. Timing is a possibility but if you had your vacuum advance connected to full-time vacuum I would have expected idle speed to increase and stay high. Engine speed affects fuel pressure through the FPR vacuum hose, and timing advance through the advance diaphragm. Maybe disconnect those things, then start the engine and see if fuel pressure varies, or behavior changes. Here's an odd possibility - there's a rag or piece of paper stuck in the air intake that gets lifted and blocks air flow at higher RPM, then falls off and lets air in when RPM drop. RPM increase, air block, RPM decrease, aor open, etc.... It's probably a fuel supply issue though. -
Troubleshooting w/ Vacuum Gauge- where to go from here?
NewZed replied to AdreView's topic in Nissan L6 Forum
What does the above mean? And what are you adjusting? The vacuum gauge doesn't do you much good with the idle speed jumping up and down. The weird idle could be from a loose, undamped AFM vane, causing fuel enrichment to jump up and down. Check that the weight is still attached, they've been known to fall off. Or the AFM spring is so loose (maybe too much adjustment) that the vane is bouncing around. Take the cover off and hold the counterweight and see if idle stabilizes. -
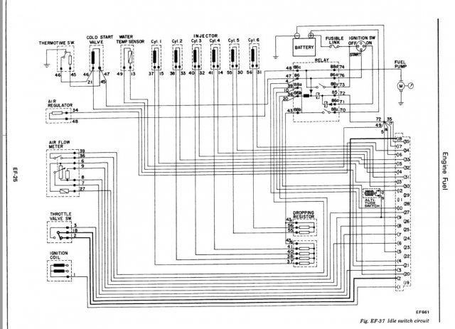
75 wiring harness same as 77?
NewZed replied to bowl of seeds's topic in S30 Series - 240z, 260z, 280z
I have a 78 ECU in my 76. The manual transmission Federal models seem to be the same over the years. The oil pump switch for the fuel pump showed up in 78. Of course, Nissan could have started early with some late 77's. A look at the AFM plug, and probing with a meter would tell.